ford Workshop Repair Guides

Ford Workshop Service and Repair Manuals

Diagram Information and Instructions|Page 1453 > < Diagram Information and Instructions|Page 1451
Page 70
background image

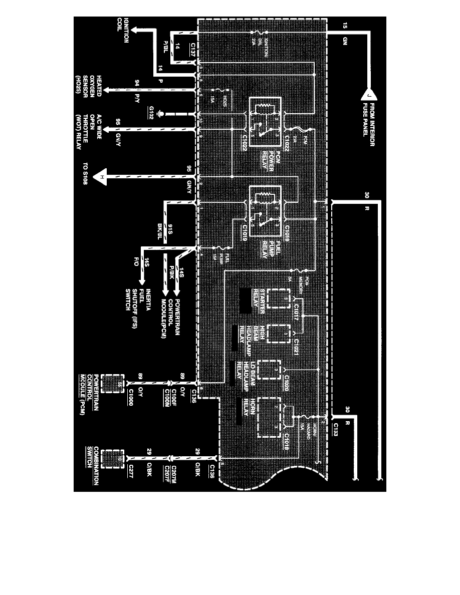
Power Distribution

Fuse COURTESY LAMPS

Fuse COURTESY LAMPS - protects the following circuits:

^

Dome/Map Lamps

^

Vanity Mirrors

^

Luggage Compartment Lamp

^

Engine Compartment and Glove Box Lamps

Diagram Information and Instructions|Page 1453 > < Diagram Information and Instructions|Page 1451