Ford Workshop Service and Repair Manuals
HOME
FEATURES
MENU
INDEX
ABOUT US
Diagram Information and Instructions|Page 1461 >
< Diagram Information and Instructions|Page 1459
Contour V6-153 2.5L DOHC (1996)
Maintenance
Fuses and Circuit Breakers
Fuse Block / Component Information
Diagrams / Diagram Information and Instructions
Page 1460
Page 78
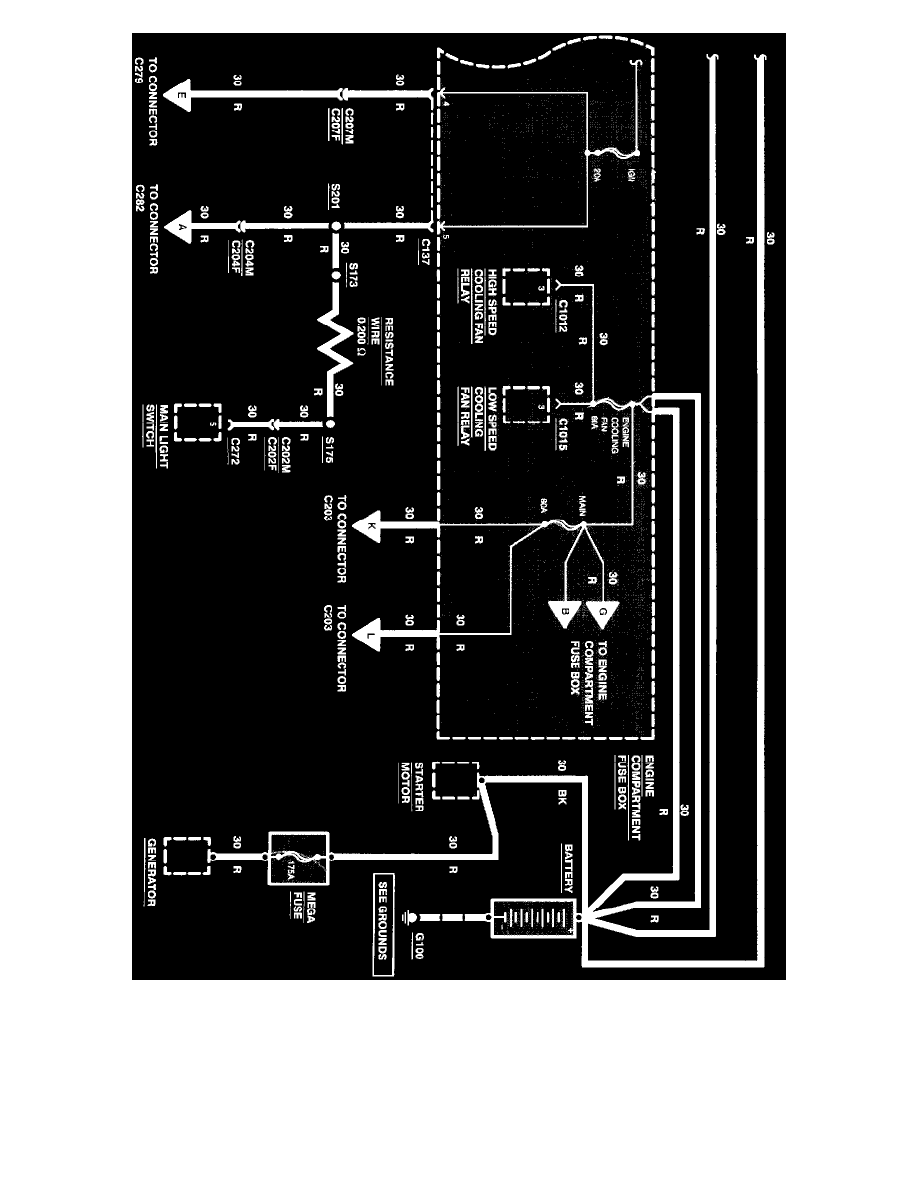
Power Distribution
Maintenance
Fuses and Circuit Breakers
Fuse Block / Component Information
Diagrams / Diagram Information and Instructions
Page 1460
Diagram Information and Instructions|Page 1461 >
< Diagram Information and Instructions|Page 1459