ford Workshop Repair Guides

Ford Workshop Service and Repair Manuals

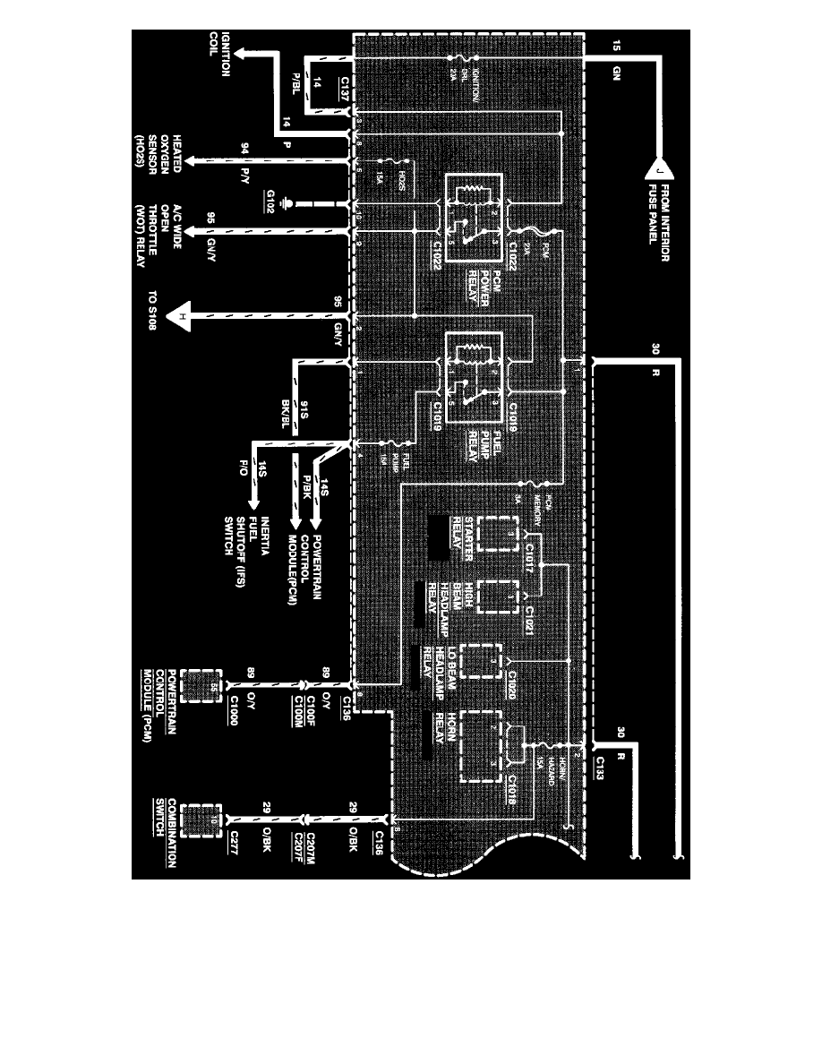
Diagram Information and Instructions|Page 1465 > < Diagram Information and Instructions|Page 1463
Page 82
background image

Power Distribution

Fuse ILLUMINATION

Fuse ILLUMINATION - protects the following circuits:

^

Instrument Illumination

^

License Lamp

^

Instrument Interface Module

Diagram Information and Instructions|Page 1465 > < Diagram Information and Instructions|Page 1463