ford Workshop Repair Guides

Ford Workshop Service and Repair Manuals

Diagram Information and Instructions|Page 1471 > < Diagram Information and Instructions|Page 1469
Page 88
background image

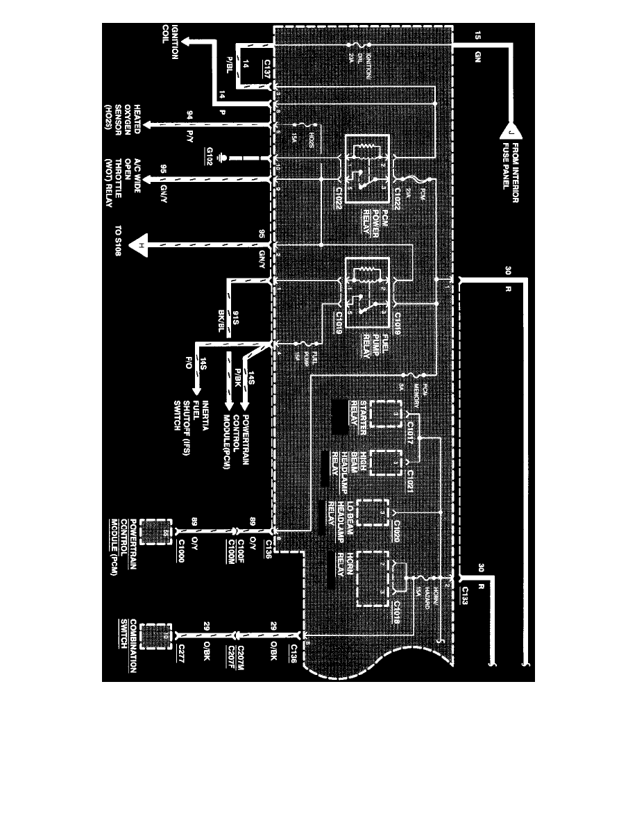
Power Distribution

Fuse MIRROR HEATER

Fuse MIRROR HEATER - protects the following circuits:

^

Power/Heated Mirror Defrost Grids

Diagram Information and Instructions|Page 1471 > < Diagram Information and Instructions|Page 1469