ford Workshop Repair Guides

Ford Workshop Service and Repair Manuals

Diagram Information and Instructions|Page 6895 > < Diagram Information and Instructions|Page 6893
Page 12
background image

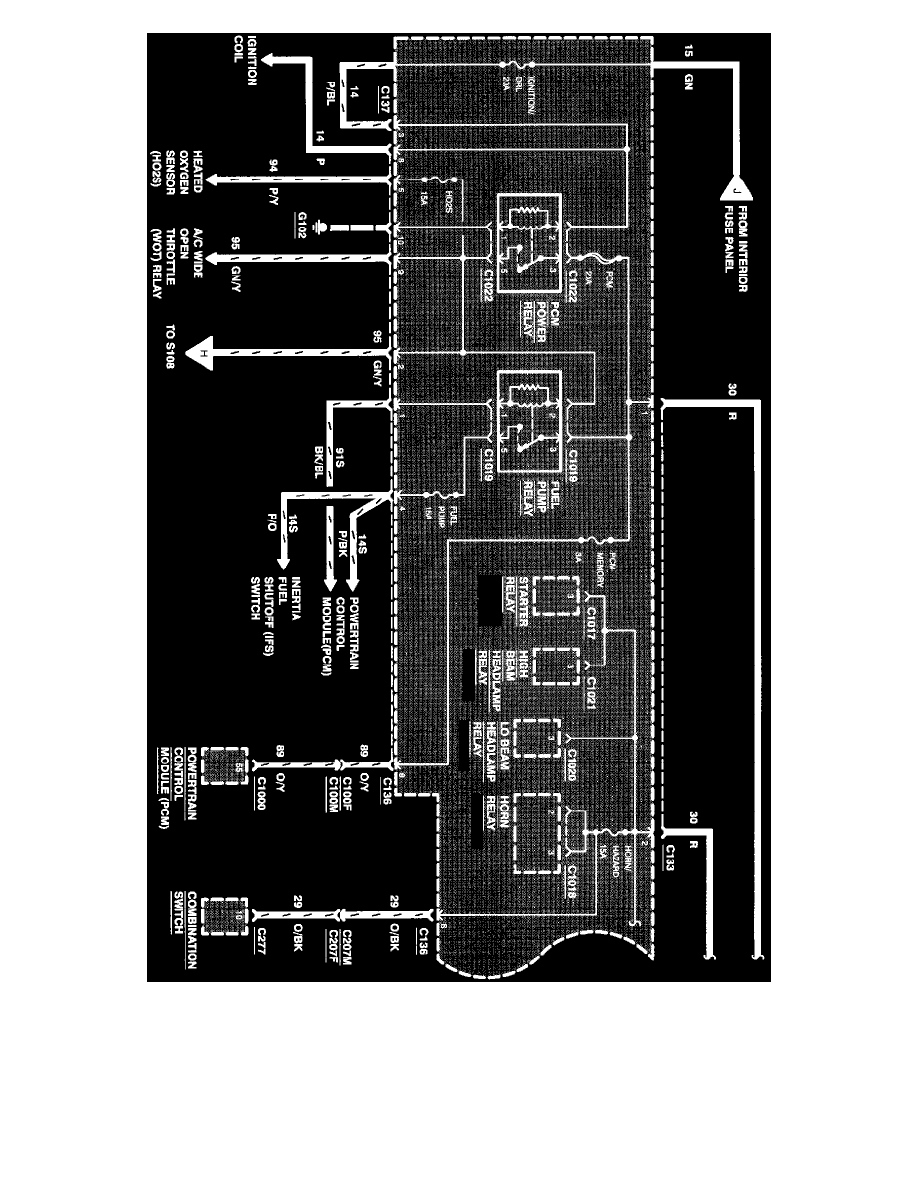
Power Distribution

Fuse FUEL PUMP

Fuse FUEL PUMP - protects the following circuits:

^

Inertia Fuel Shut OFF Switch

^

Powertrain Control Module

Diagram Information and Instructions|Page 6895 > < Diagram Information and Instructions|Page 6893