Contour V6-153 2.5L DOHC (1996)
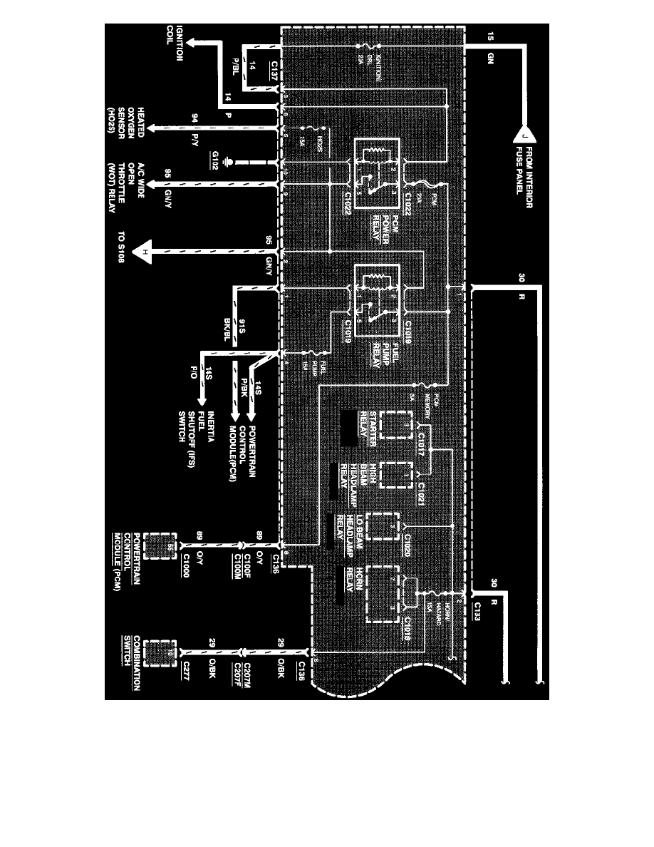
Power Distribution
Circuit-to-Fuse Cross Reference
Air Bag Diagnostic Module...................................................................................................................................................................Fuse ELECTRONICS
Air Bag Diagnostic Monitor.............................................................................................................................................................................Fuse AIR BAG
Air Temperature Actuator.....................................................................................................................................................................Fuse BACKUP LAMP
Anti-Lock Brake System Module............................................................................................................................................................Fuse ABS MODULE
Audio System Amplifier.......................................................................................................................................................................................Fuse SEATS
