Ford Workshop Service and Repair Manuals
HOME
FEATURES
MENU
INDEX
ABOUT US
Diagram Information and Instructions|Page 6960 >
< Diagram Information and Instructions|Page 6958
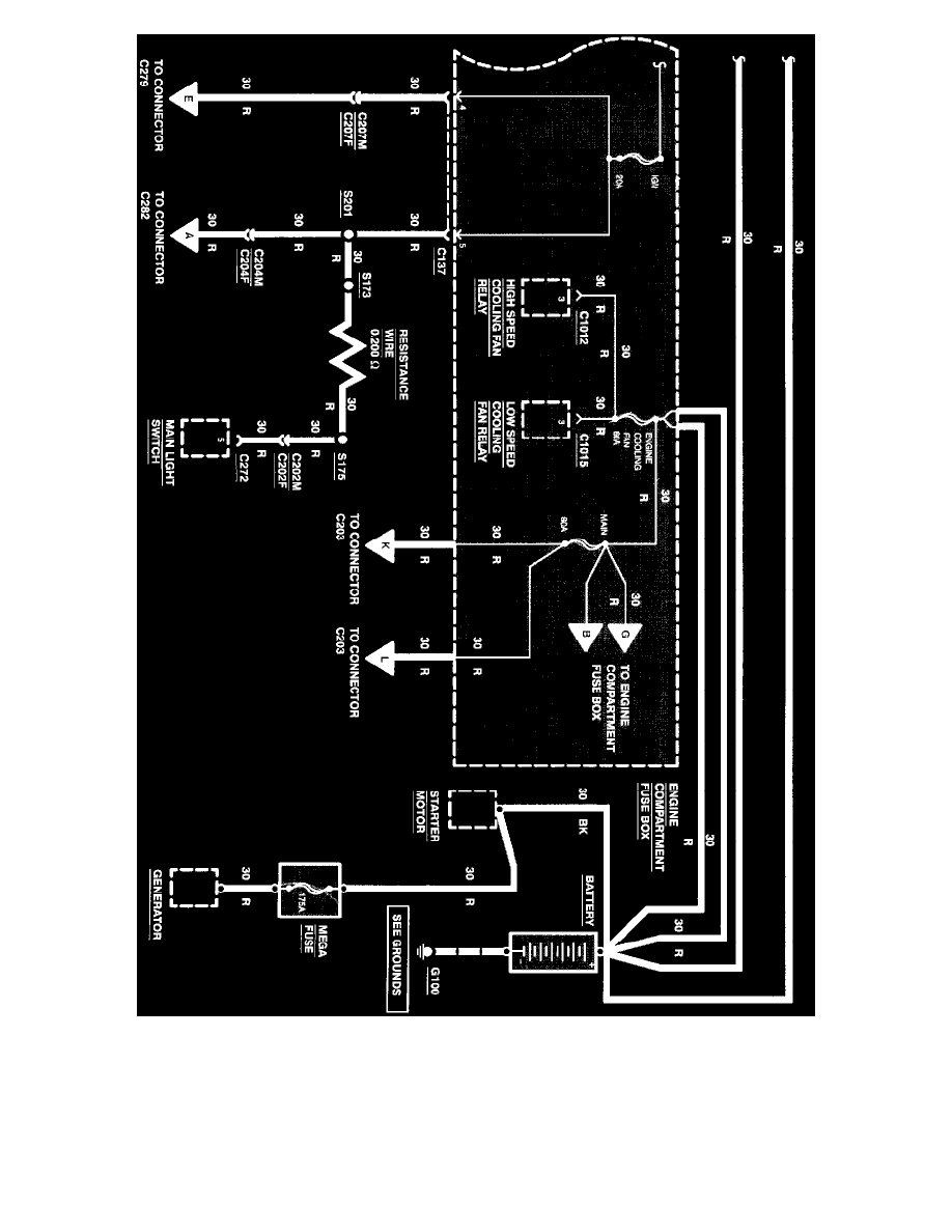
Contour V6-153 2.5L DOHC (1996)
Power and Ground Distribution
Fuse / Component Information
Diagrams / Diagram Information and Instructions
Page 6959
Page 77
Power Distribution
Power and Ground Distribution
Fuse / Component Information
Diagrams / Diagram Information and Instructions
Page 6959
Diagram Information and Instructions|Page 6960 >
< Diagram Information and Instructions|Page 6958