ford Workshop Repair Guides

Ford Workshop Service and Repair Manuals

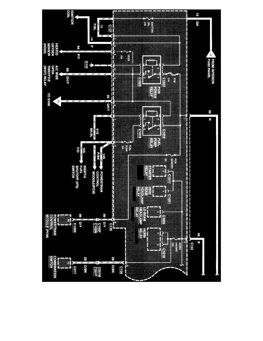
Diagram Information and Instructions|Page 6973 > < Diagram Information and Instructions|Page 6971
Page 90
background image

Power Distribution

Fuse WINDOWS

Fuse WINDOWS - protects the following circuits:

^

Power Windows

^

Power Moonroof

Diagram Information and Instructions|Page 6973 > < Diagram Information and Instructions|Page 6971