ford Workshop Repair Guides

Ford Workshop Service and Repair Manuals

Diagram Information and Instructions|Page 6990 > < Diagram Information and Instructions|Page 6988
Page 107
background image

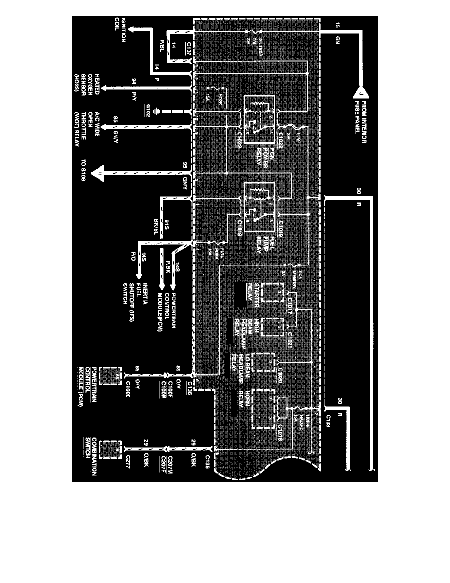
Power Distribution

Fuse STOP LAMPS

Fuse STOP LAMP - protects the following circuits:

^

Instrument Cluster

^

Brake ON/OFF Switch

^

Brake Pedal Switch

^

Clutch Pedal Switch

Diagram Information and Instructions|Page 6990 > < Diagram Information and Instructions|Page 6988