Ford Workshop Service and Repair Manuals
HOME
FEATURES
MENU
INDEX
ABOUT US
Diagram Information and Instructions|Page 7023 >
< Diagram Information and Instructions|Page 7021
Contour V6-153 2.5L DOHC (1996)
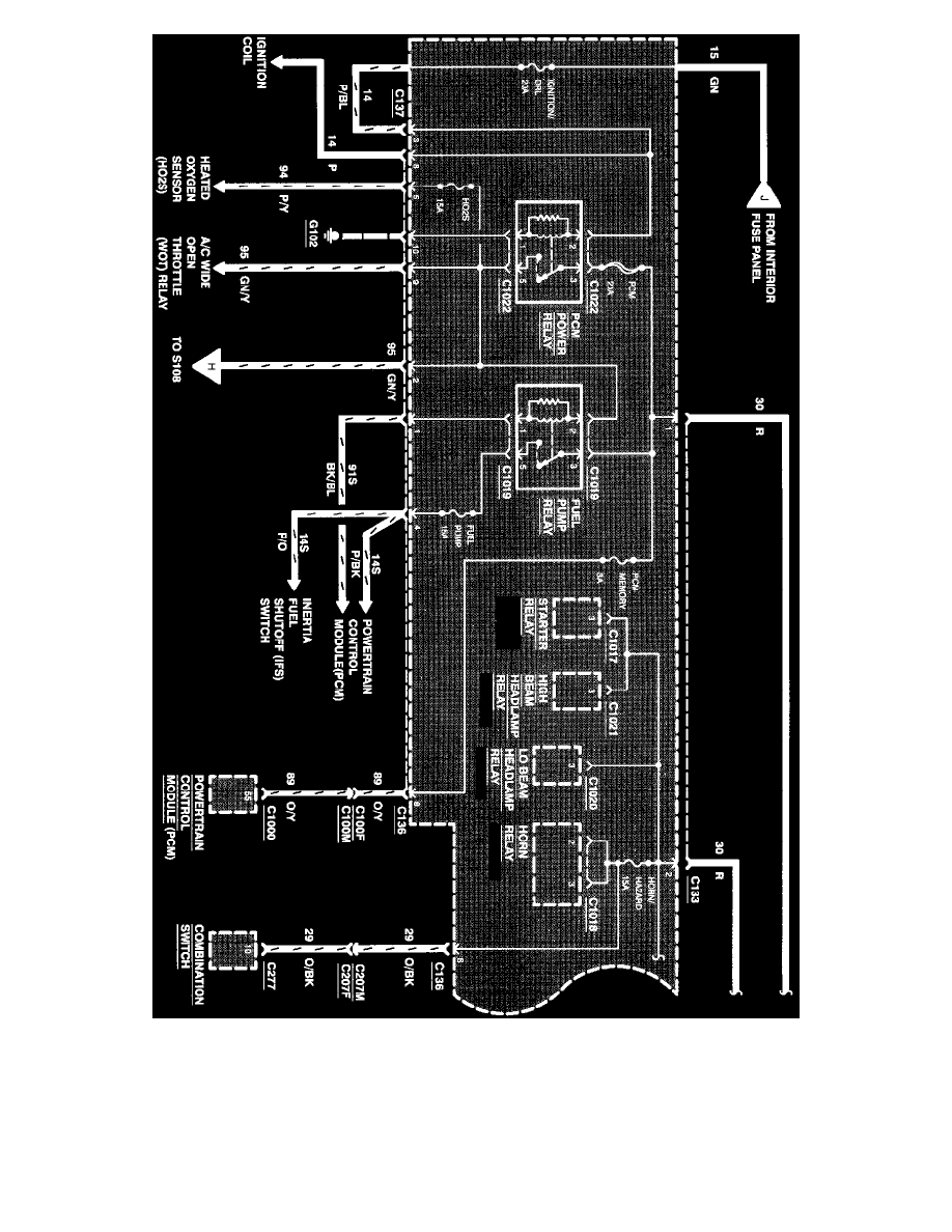
Power and Ground Distribution
Fuse Block / Component Information
Diagrams / Diagram Information and Instructions
Page 7022
Page 9
Power Distribution
Fuse FOG LAMP
Fuse FOG LAMP
- protects the following circuits:
^
Fog Lamp Relay
Power and Ground Distribution
Fuse Block / Component Information
Diagrams / Diagram Information and Instructions
Page 7022
Diagram Information and Instructions|Page 7023 >
< Diagram Information and Instructions|Page 7021