Ford Workshop Service and Repair Manuals
HOME
FEATURES
MENU
INDEX
ABOUT US
Diagram Information and Instructions|Page 7025 >
< Diagram Information and Instructions|Page 7023
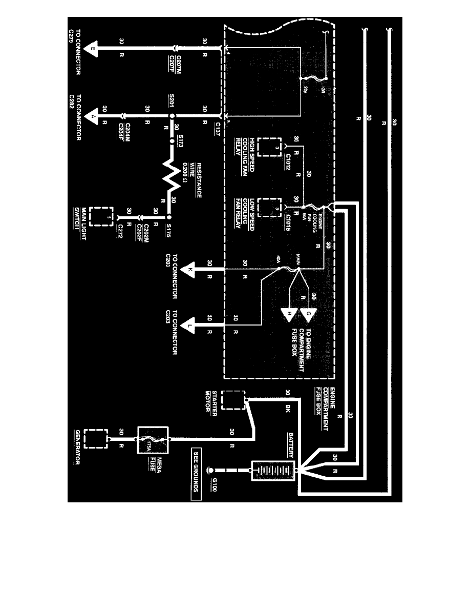
Contour V6-153 2.5L DOHC (1996)
Power and Ground Distribution
Fuse Block / Component Information
Diagrams / Diagram Information and Instructions
Page 7024
Page 11
Power Distribution
Power and Ground Distribution
Fuse Block / Component Information
Diagrams / Diagram Information and Instructions
Page 7024
Diagram Information and Instructions|Page 7025 >
< Diagram Information and Instructions|Page 7023