Ford Workshop Service and Repair Manuals
HOME
FEATURES
MENU
INDEX
ABOUT US
Diagram Information and Instructions|Page 7048 >
< Diagram Information and Instructions|Page 7046
Contour V6-153 2.5L DOHC (1996)
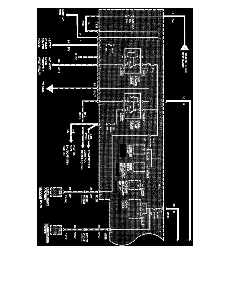
Power and Ground Distribution
Fuse Block / Component Information
Diagrams / Diagram Information and Instructions
Page 7047
Page 34
Power Distribution
Fuse PCM
Fuse PCM
- protects the following circuits:
^
Powertrain Control Module
Power and Ground Distribution
Fuse Block / Component Information
Diagrams / Diagram Information and Instructions
Page 7047
Diagram Information and Instructions|Page 7048 >
< Diagram Information and Instructions|Page 7046