ford Workshop Repair Guides

Ford Workshop Service and Repair Manuals

Diagram Information and Instructions|Page 7050 > < Diagram Information and Instructions|Page 7048
Page 36
background image

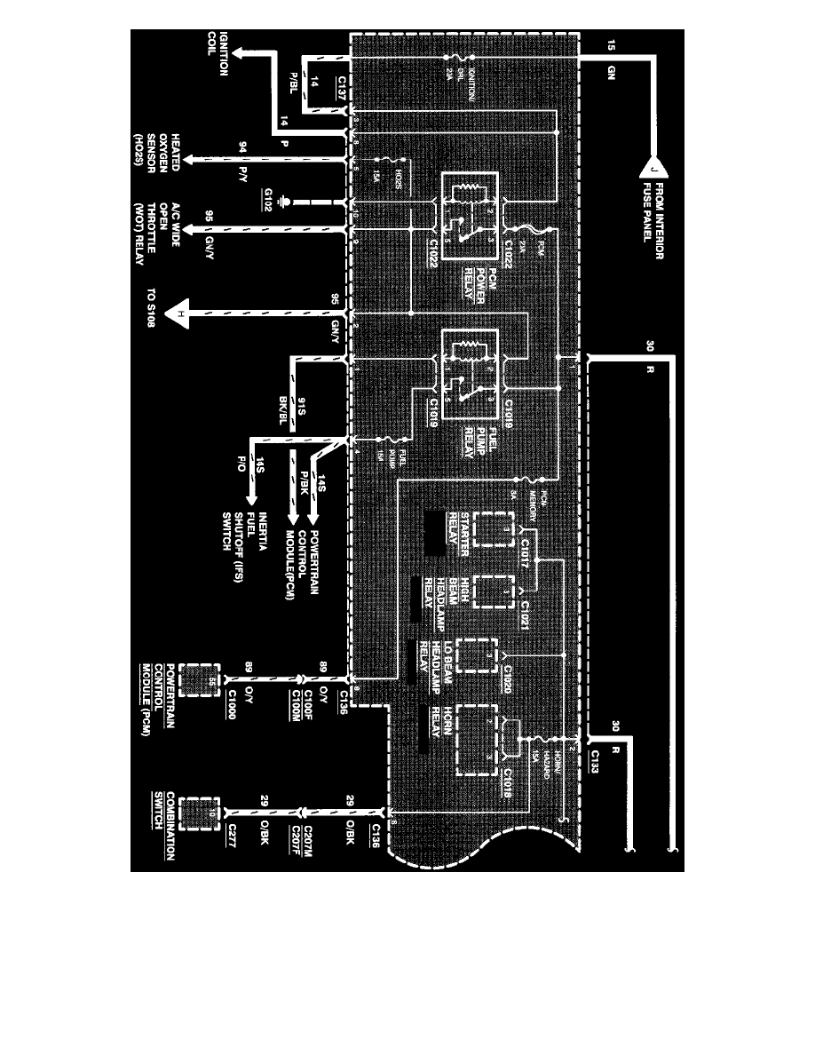
Power Distribution

Fuse RIGHT HI BEAM

Fuse RIGHT HI BEAM - protects the following circuits:

^

Right High Beam Headlamp

^

Daytime Running Lamps Relay

Diagram Information and Instructions|Page 7050 > < Diagram Information and Instructions|Page 7048