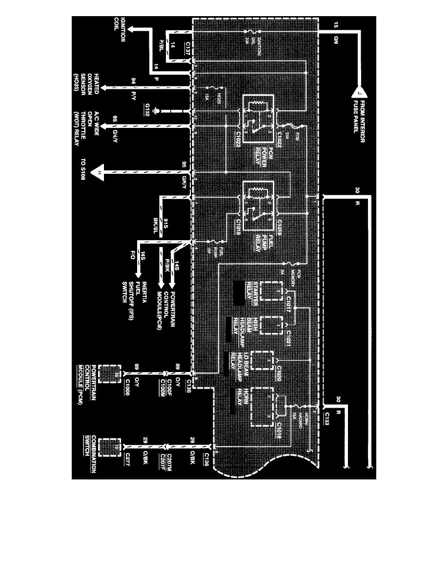
Contour V6-153 25L DOHC (1996) Power and Ground Distribution Fuse Block
Power Distribution
Fuse BACKUP LAMP
Fuse BACKUP LAMP - protects the following circuits:
^
Park/Neutral Position Switch
^
Transmission Range Sensor
^
Heater-A/C Mode Switch
^
Speed Control Module
