Ford Workshop Service and Repair Manuals
HOME
FEATURES
MENU
INDEX
ABOUT US
Diagram Information and Instructions|Page 7083 >
< Diagram Information and Instructions|Page 7081
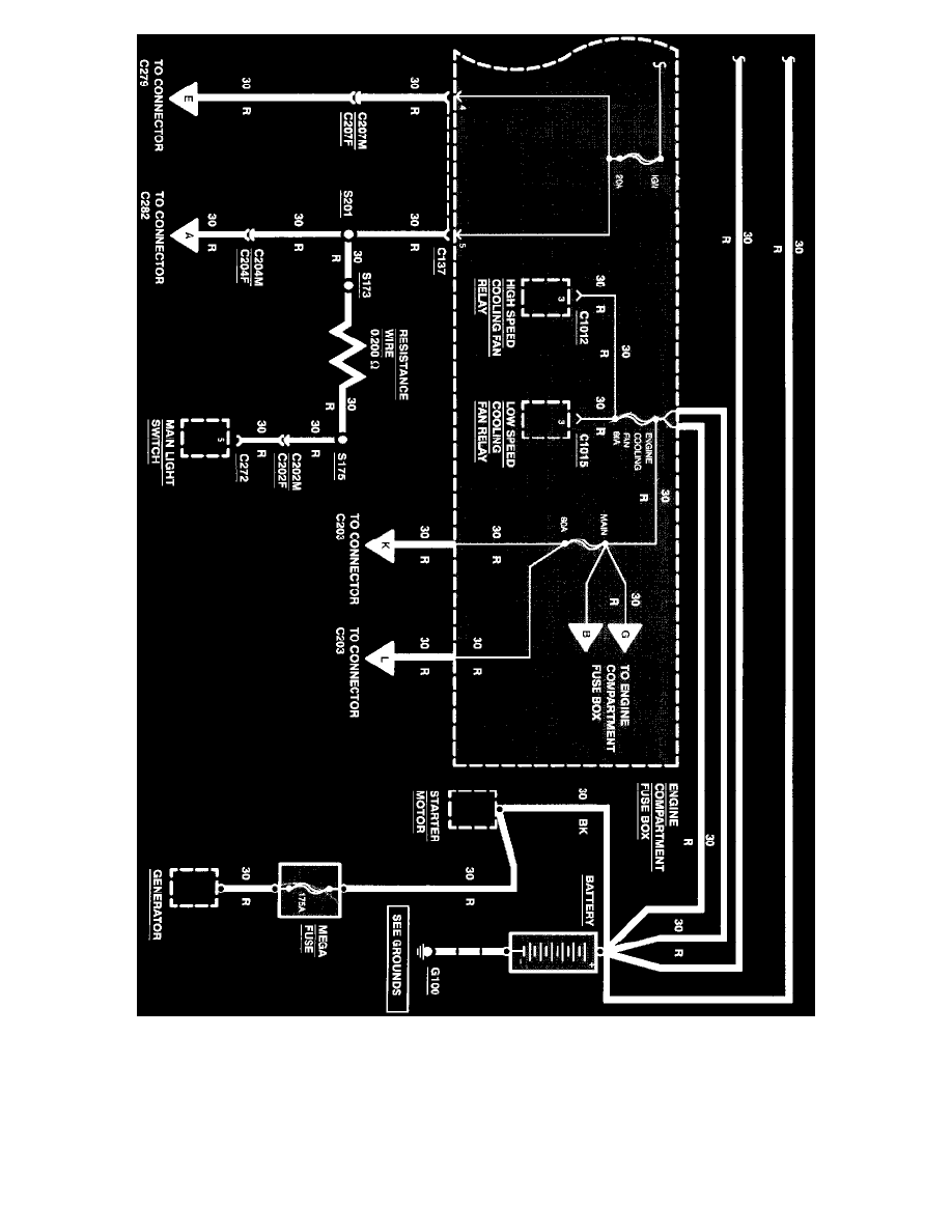
Contour V6-153 2.5L DOHC (1996)
Power and Ground Distribution
Fuse Block / Component Information
Diagrams / Diagram Information and Instructions
Page 7082
Page 69
Power Distribution
Power and Ground Distribution
Fuse Block / Component Information
Diagrams / Diagram Information and Instructions
Page 7082
Diagram Information and Instructions|Page 7083 >
< Diagram Information and Instructions|Page 7081