Ford Workshop Service and Repair Manuals
HOME
FEATURES
MENU
INDEX
ABOUT US
Diagram Information and Instructions|Page 7095 >
< Diagram Information and Instructions|Page 7093
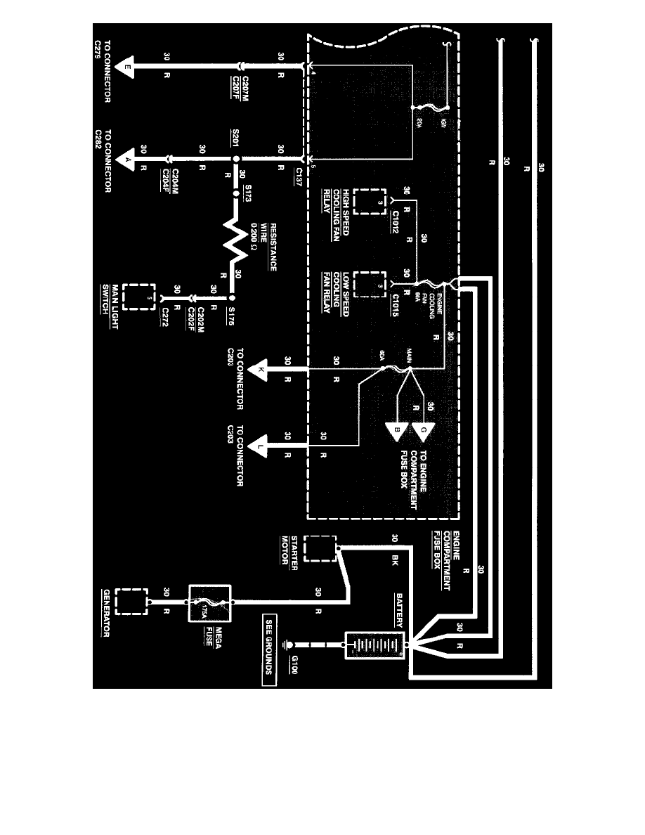
Contour V6-153 2.5L DOHC (1996)
Power and Ground Distribution
Fuse Block / Component Information
Diagrams / Diagram Information and Instructions
Page 7094
Page 81
Power Distribution
Power and Ground Distribution
Fuse Block / Component Information
Diagrams / Diagram Information and Instructions
Page 7094
Diagram Information and Instructions|Page 7095 >
< Diagram Information and Instructions|Page 7093