ford Workshop Repair Guides

Ford Workshop Service and Repair Manuals

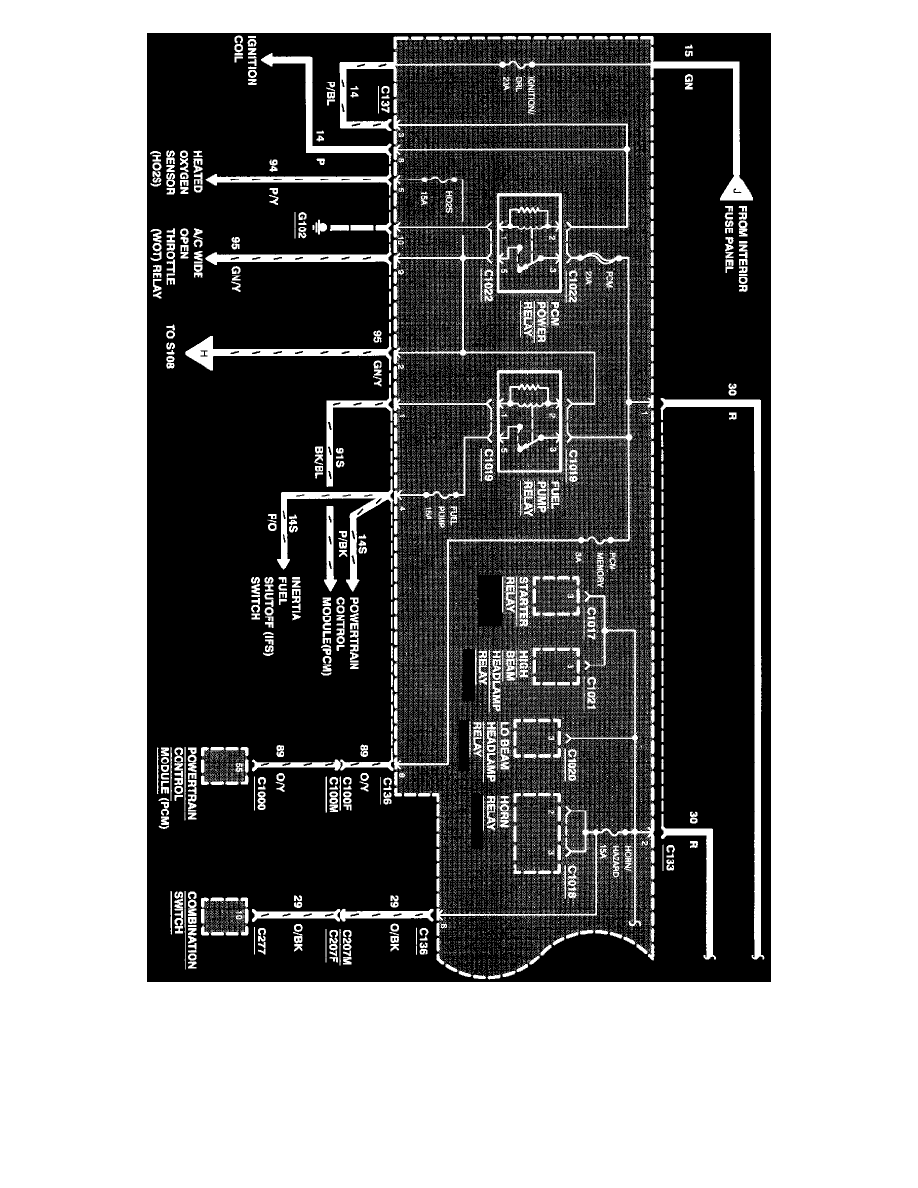
Diagram Information and Instructions|Page 7099 > < Diagram Information and Instructions|Page 7097
Page 85
background image

Power Distribution

Fuse MAIN LIGHT

Fuse MAIN LIGHT - protects the following circuits:

^

Main Light Switch

^

Headlamp Switch

^

Fog Lamp Switch

^

Combination Switch

Diagram Information and Instructions|Page 7099 > < Diagram Information and Instructions|Page 7097