Ford Workshop Service and Repair Manuals
HOME
FEATURES
MENU
INDEX
ABOUT US
Diagram Information and Instructions|Page 6534 >
< Diagram Information and Instructions|Page 6532
Contour V6-153 2.5L DOHC (1996)
Starting and Charging
Power and Ground Distribution
Fuse / Component Information
Diagrams / Diagram Information and Instructions
Page 6533
Page 9
Power Distribution
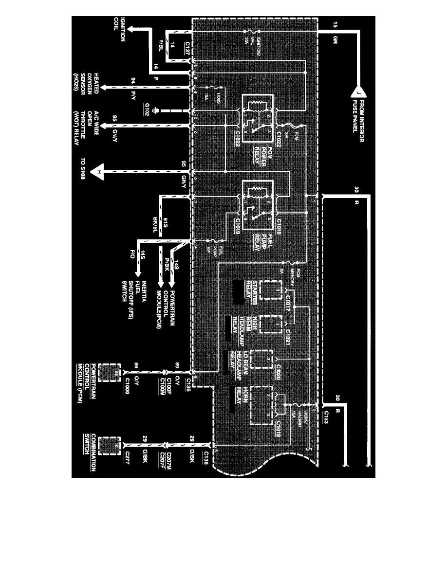
Fuse FOG LAMP
Fuse FOG LAMP
- protects the following circuits:
^
Fog Lamp Relay
Starting and Charging
Power and Ground Distribution
Fuse / Component Information
Diagrams / Diagram Information and Instructions
Page 6533
Diagram Information and Instructions|Page 6534 >
< Diagram Information and Instructions|Page 6532