Ford Workshop Service and Repair Manuals
HOME
FEATURES
MENU
INDEX
ABOUT US
Diagram Information and Instructions|Page 6540 >
< Diagram Information and Instructions|Page 6538
Contour V6-153 2.5L DOHC (1996)
Starting and Charging
Power and Ground Distribution
Fuse / Component Information
Diagrams / Diagram Information and Instructions
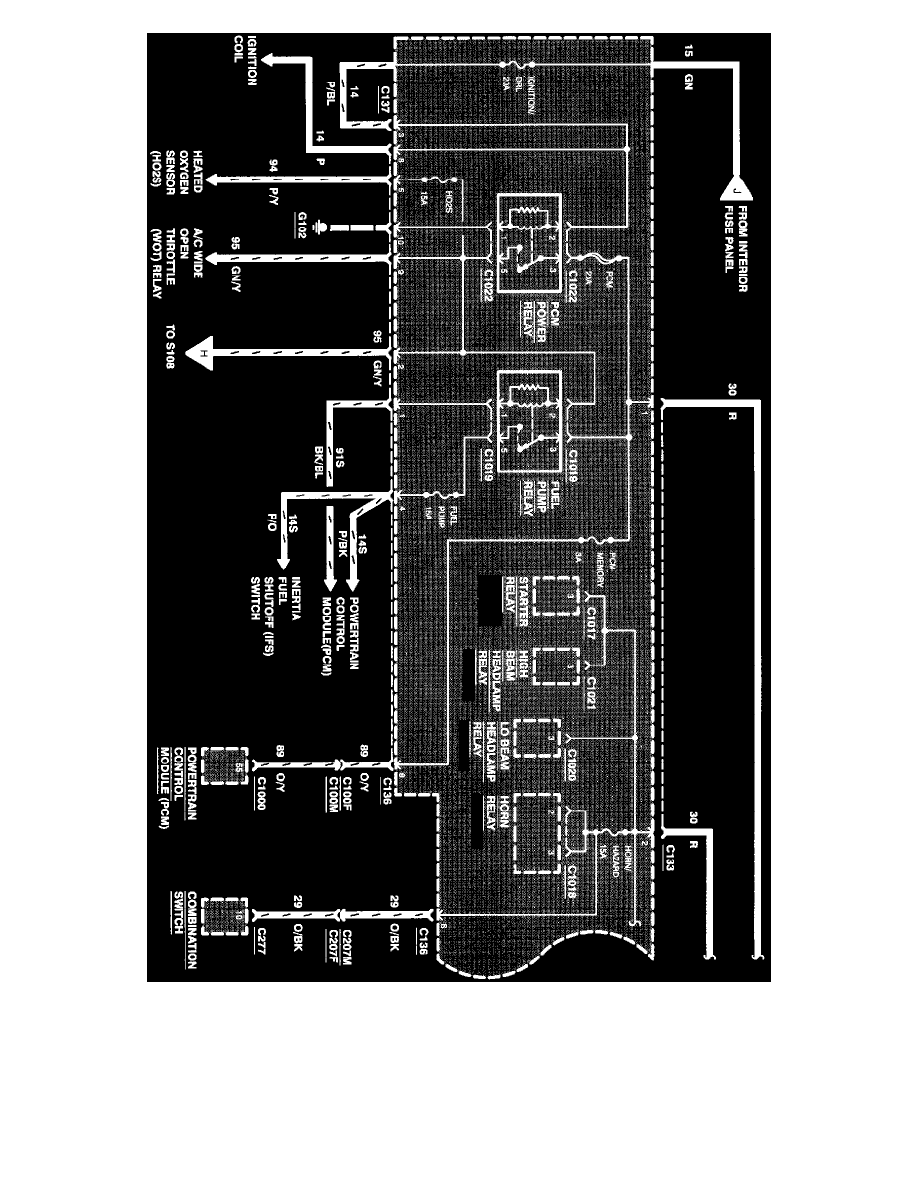
Page 6539
Page 15
Power Distribution
Fuse IGN
Fuse IGN
- protects the following circuits:
^
Ignition Switch
Starting and Charging
Power and Ground Distribution
Fuse / Component Information
Diagrams / Diagram Information and Instructions
Page 6539
Diagram Information and Instructions|Page 6540 >
< Diagram Information and Instructions|Page 6538