ford Workshop Repair Guides

Ford Workshop Service and Repair Manuals

Diagram Information and Instructions|Page 6549 > < Diagram Information and Instructions|Page 6547
Page 24
background image

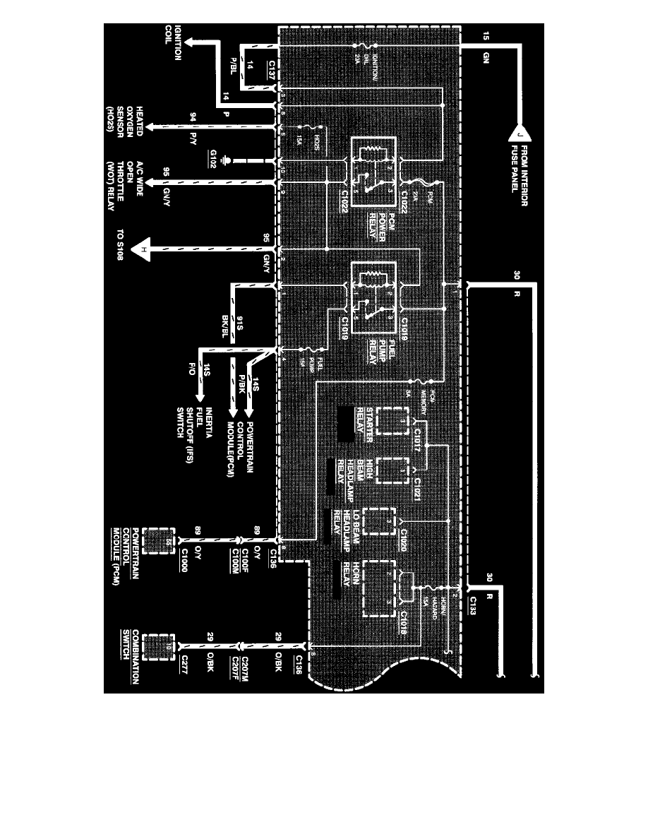
Power Distribution

Fuse LEFT HI BEAM

Fuse LEFT LO BEAM - protects the following circuits:

^

Left High Beam Headlamp

Diagram Information and Instructions|Page 6549 > < Diagram Information and Instructions|Page 6547