ford Workshop Repair Guides

Ford Workshop Service and Repair Manuals

Diagram Information and Instructions|Page 6561 > < Diagram Information and Instructions|Page 6559
Page 36
background image

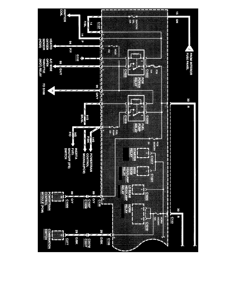
Power Distribution

Fuse RIGHT HI BEAM

Fuse RIGHT HI BEAM - protects the following circuits:

^

Right High Beam Headlamp

^

Daytime Running Lamps Relay

Diagram Information and Instructions|Page 6561 > < Diagram Information and Instructions|Page 6559