ford Workshop Repair Guides

Ford Workshop Service and Repair Manuals

Diagram Information and Instructions|Page 6566 > < Diagram Information and Instructions|Page 6564
Page 41
background image

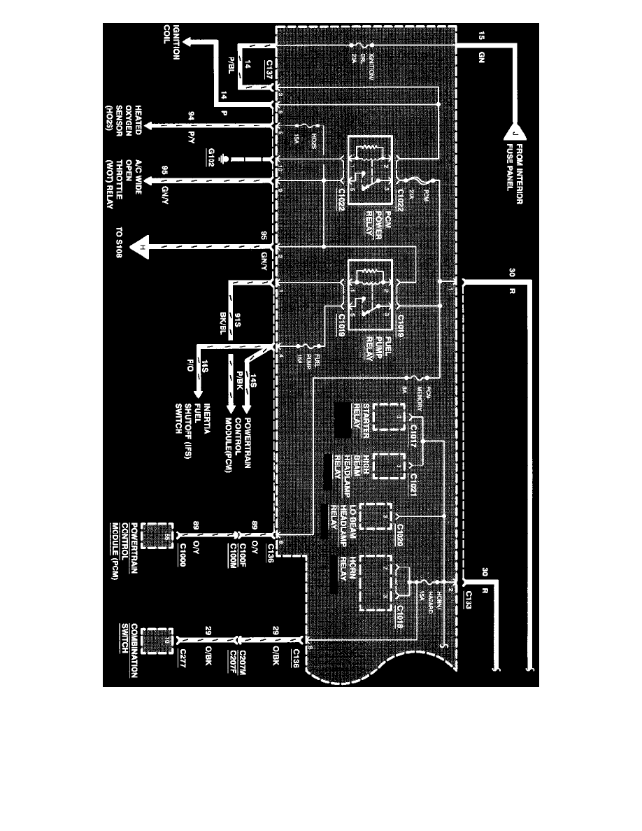
Power Distribution

Fuse RIGHT LO BEAM

Fuse RIGHT LO BEAM - protects the following circuits:

^

Right Low Beam Headlamp

Diagram Information and Instructions|Page 6566 > < Diagram Information and Instructions|Page 6564