ford Workshop Repair Guides

Ford Workshop Service and Repair Manuals

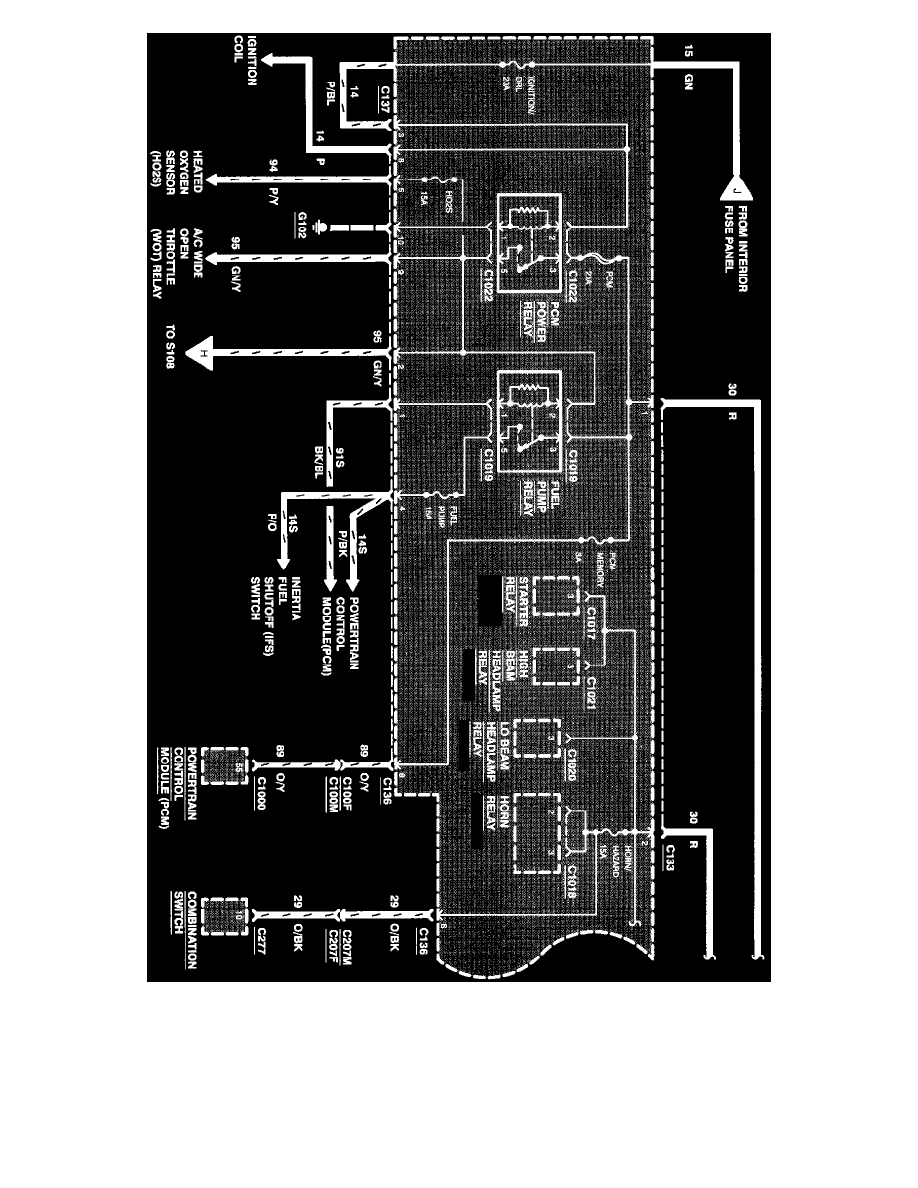
Diagram Information and Instructions|Page 6597 > < Diagram Information and Instructions|Page 6595
Page 72
background image

Power Distribution

Fuse ELECTRONICS

Fuse ELECTRONICS - protects the following circuits:

^

Instrument Cluster

^

Air Bag Diagnostic Module

^

Power Antenna

^

Instrument Interface Module

Diagram Information and Instructions|Page 6597 > < Diagram Information and Instructions|Page 6595