ford Workshop Repair Guides

Ford Workshop Service and Repair Manuals

Diagram Information and Instructions|Page 6618 > < Diagram Information and Instructions|Page 6616
Page 93
background image

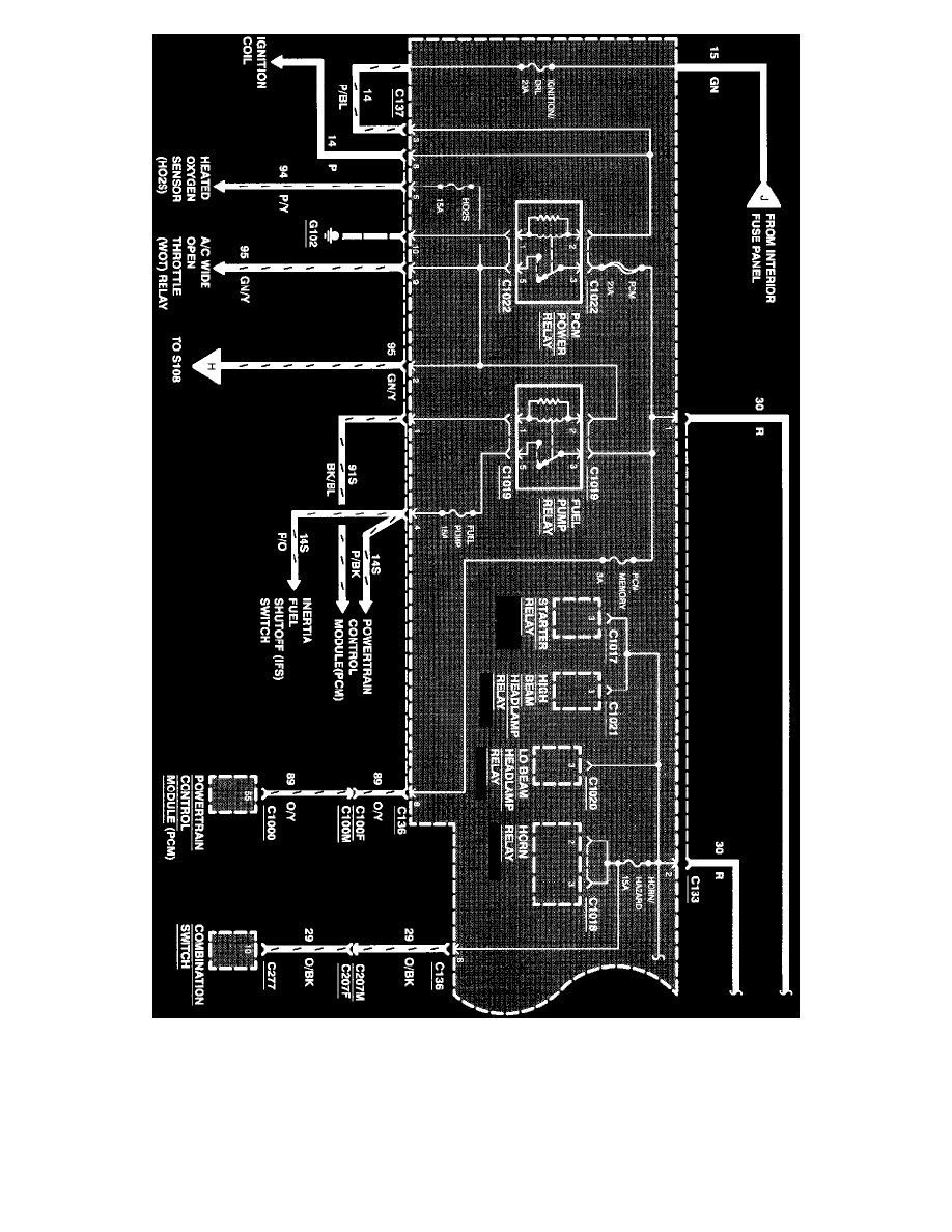
Power Distribution

Fuse SEATS

Fuse SEATS - protects the following circuits:

^

Audio System Amplifier

^

Power Seats

Diagram Information and Instructions|Page 6618 > < Diagram Information and Instructions|Page 6616