Ford Workshop Service and Repair Manuals
HOME
FEATURES
MENU
INDEX
ABOUT US
Diagram Information and Instructions|Page 6628 >
< Diagram Information and Instructions|Page 6626
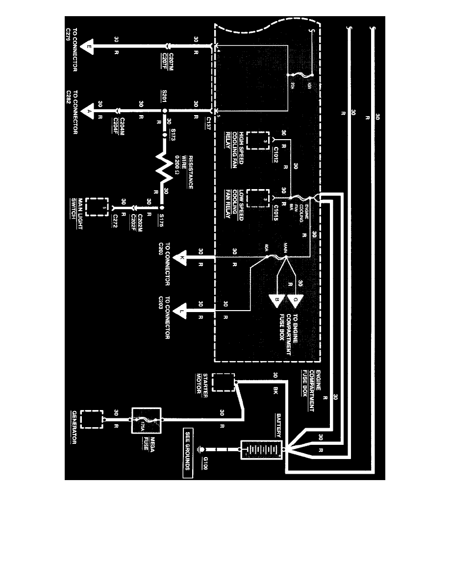
Contour V6-153 2.5L DOHC (1996)
Starting and Charging
Power and Ground Distribution
Fuse / Component Information
Diagrams / Diagram Information and Instructions
Page 6627
Page 103
Power Distribution
Starting and Charging
Power and Ground Distribution
Fuse / Component Information
Diagrams / Diagram Information and Instructions
Page 6627
Diagram Information and Instructions|Page 6628 >
< Diagram Information and Instructions|Page 6626