ford Workshop Repair Guides

Ford Workshop Service and Repair Manuals

Diagram Information and Instructions|Page 6676 > < Diagram Information and Instructions|Page 6674
Page 20
background image

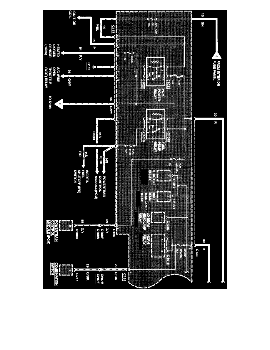
Power Distribution

Fuse IGNITION/DRL

Fuse IGNITION/DRL - protects the following circuits:

^

Generator

^

Ignition Coil

^

PCM Power Relay

Diagram Information and Instructions|Page 6676 > < Diagram Information and Instructions|Page 6674