Ford Workshop Service and Repair Manuals
HOME
FEATURES
MENU
INDEX
ABOUT US
Diagram Information and Instructions|Page 6688 >
< Diagram Information and Instructions|Page 6686
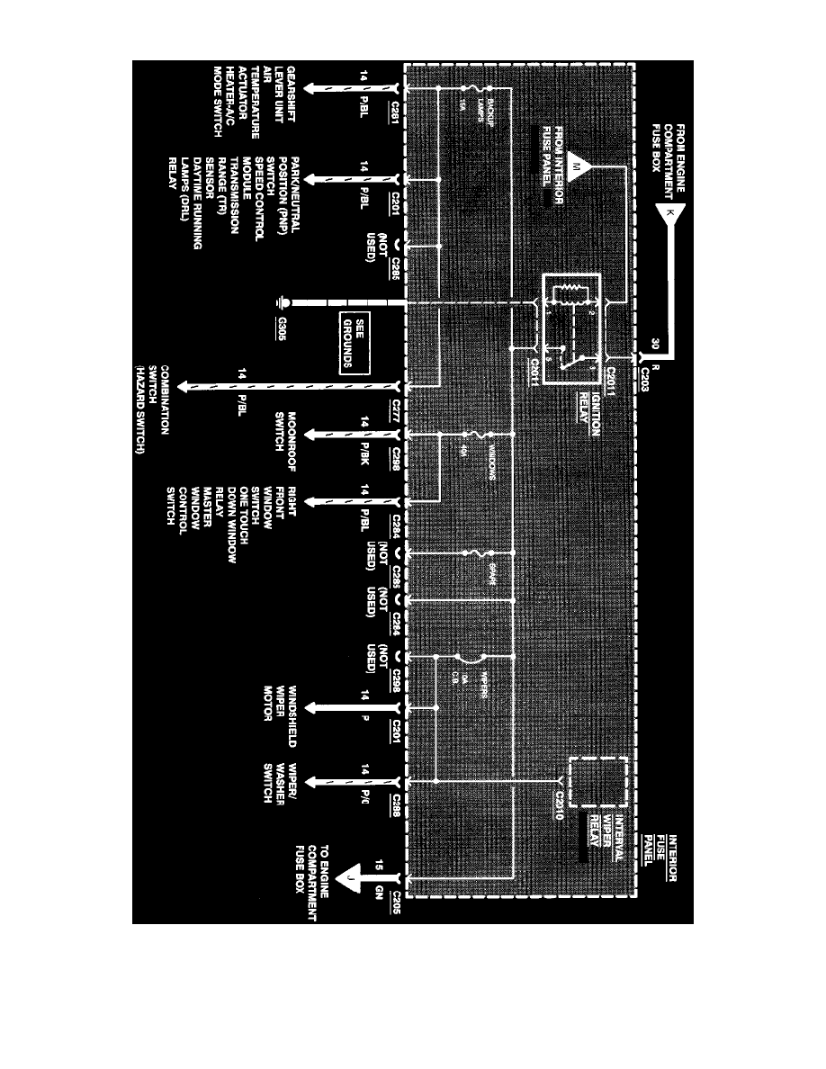
Contour V6-153 2.5L DOHC (1996)
Starting and Charging
Power and Ground Distribution
Fuse Block / Component Information
Diagrams / Diagram Information and Instructions
Page 6687
Page 32
^
Powertrain Control Module
Power Distribution
Starting and Charging
Power and Ground Distribution
Fuse Block / Component Information
Diagrams / Diagram Information and Instructions
Page 6687
Diagram Information and Instructions|Page 6688 >
< Diagram Information and Instructions|Page 6686