Ford Workshop Service and Repair Manuals
HOME
FEATURES
MENU
INDEX
ABOUT US
Diagram Information and Instructions|Page 6702 >
< Diagram Information and Instructions|Page 6700
Contour V6-153 2.5L DOHC (1996)
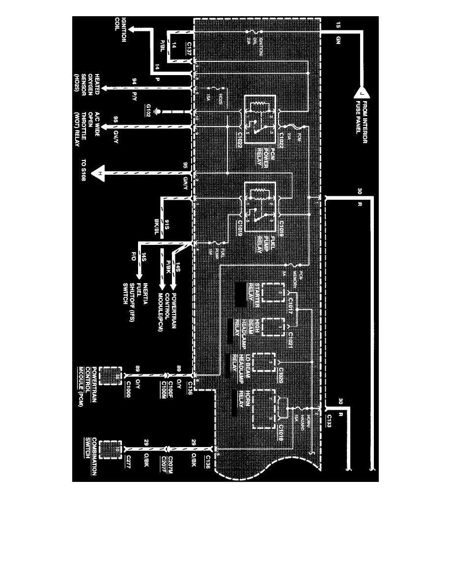
Starting and Charging
Power and Ground Distribution
Fuse Block / Component Information
Diagrams / Diagram Information and Instructions
Page 6701
Page 46
Power Distribution
Starting and Charging
Power and Ground Distribution
Fuse Block / Component Information
Diagrams / Diagram Information and Instructions
Page 6701
Diagram Information and Instructions|Page 6702 >
< Diagram Information and Instructions|Page 6700