ford Workshop Repair Guides

Ford Workshop Service and Repair Manuals

Diagram Information and Instructions|Page 6723 > < Diagram Information and Instructions|Page 6721
Page 67
background image

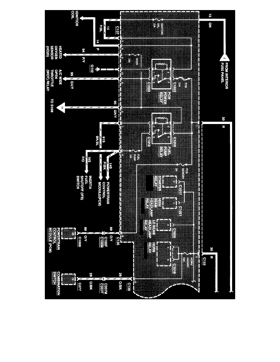
Power Distribution

Fuse CIGAR LIGHTER

Fuse CIGAR LIGHTER - protects the following circuits:

^

Cigar Lighter

Diagram Information and Instructions|Page 6723 > < Diagram Information and Instructions|Page 6721