Ford Workshop Service and Repair Manuals
HOME
FEATURES
MENU
INDEX
ABOUT US
Diagram Information and Instructions|Page 6725 >
< Diagram Information and Instructions|Page 6723
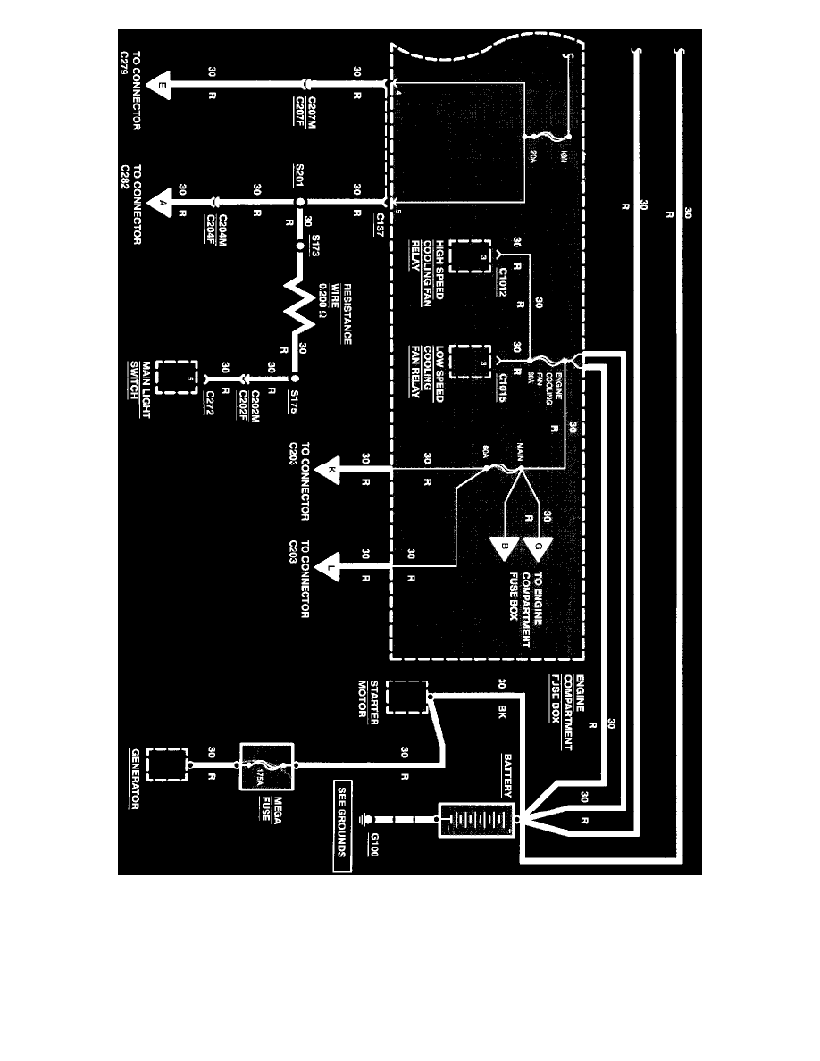
Contour V6-153 2.5L DOHC (1996)
Starting and Charging
Power and Ground Distribution
Fuse Block / Component Information
Diagrams / Diagram Information and Instructions
Page 6724
Page 69
Power Distribution
Starting and Charging
Power and Ground Distribution
Fuse Block / Component Information
Diagrams / Diagram Information and Instructions
Page 6724
Diagram Information and Instructions|Page 6725 >
< Diagram Information and Instructions|Page 6723