ford Workshop Repair Guides

Ford Workshop Service and Repair Manuals

Diagram Information and Instructions|Page 6749 > < Diagram Information and Instructions|Page 6747
Page 93
background image

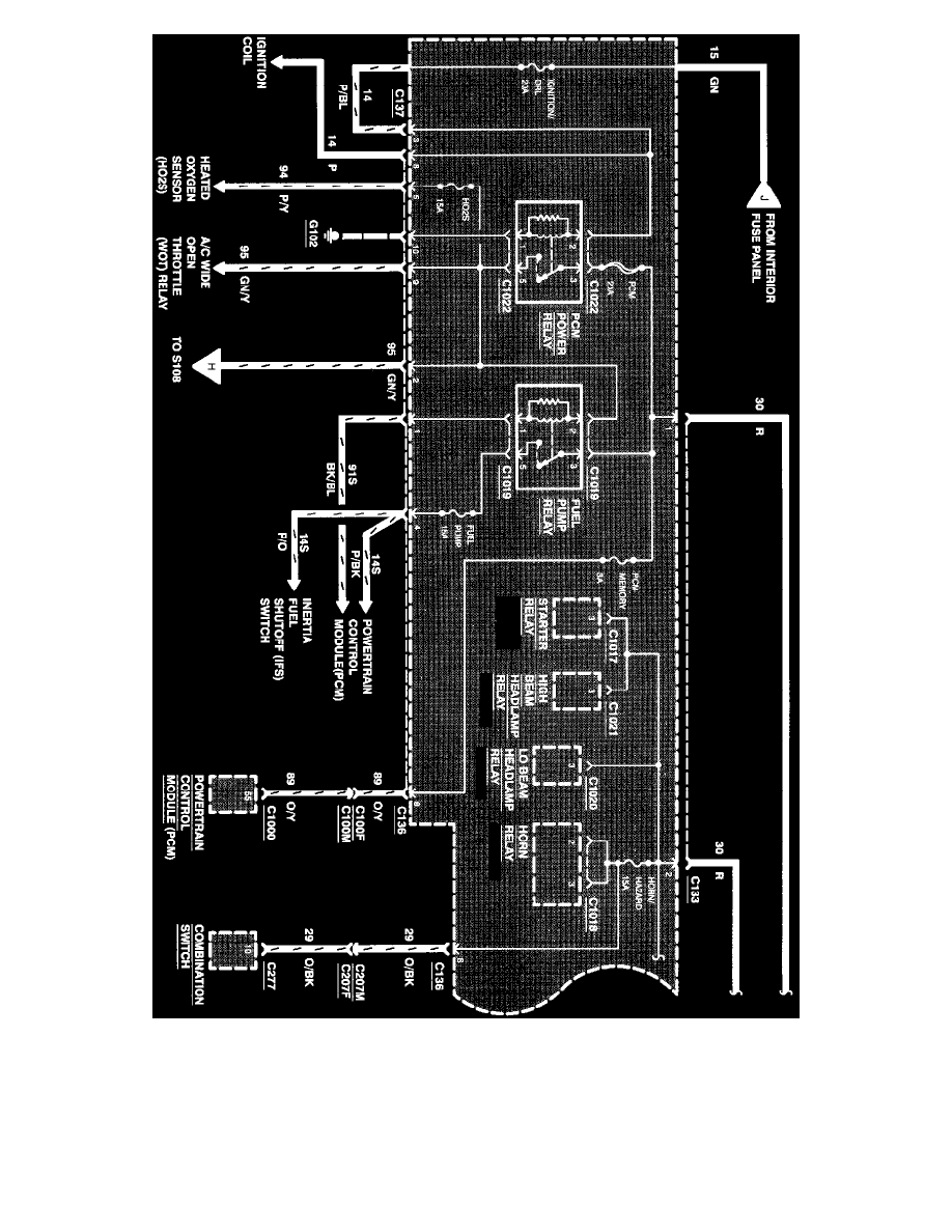
Power Distribution

Fuse RADIO

Fuse RADIO - protects the following circuits:

^

Clock

^

Radio

^

Compact Disc

Diagram Information and Instructions|Page 6749 > < Diagram Information and Instructions|Page 6747