Ford Workshop Service and Repair Manuals
HOME
FEATURES
MENU
INDEX
ABOUT US
Diagram Information and Instructions|Page 6752 >
< Diagram Information and Instructions|Page 6750
Contour V6-153 2.5L DOHC (1996)
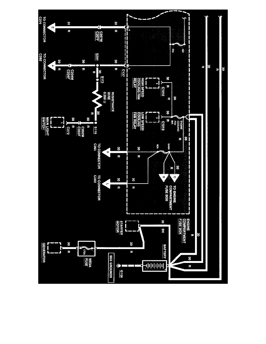
Starting and Charging
Power and Ground Distribution
Fuse Block / Component Information
Diagrams / Diagram Information and Instructions
Page 6751
Page 96
Power Distribution
Starting and Charging
Power and Ground Distribution
Fuse Block / Component Information
Diagrams / Diagram Information and Instructions
Page 6751
Diagram Information and Instructions|Page 6752 >
< Diagram Information and Instructions|Page 6750