ford Workshop Repair Guides

Ford Workshop Service and Repair Manuals

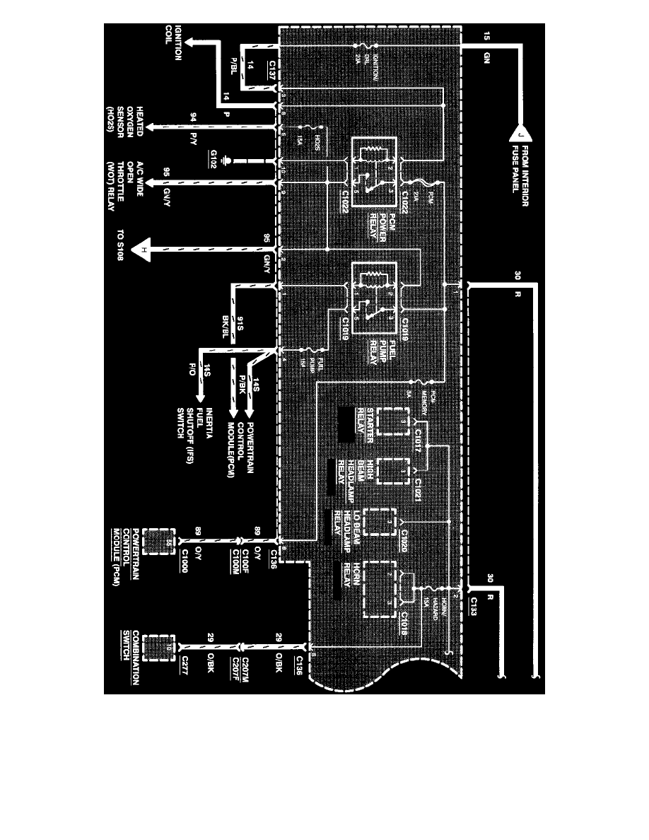
Diagram Information and Instructions|Page 6761 > < Diagram Information and Instructions|Page 6759
Page 105
background image

Power Distribution

Fuse SIDE LIGHTS (LEFT)

Fuse SIDE LIGHTS (RIGHT) - protects the following circuits:

^

Right front Park/Turn Lamps

^

Right Rear Combination Lamps

Diagram Information and Instructions|Page 6761 > < Diagram Information and Instructions|Page 6759