ford Workshop Repair Guides

Ford Workshop Service and Repair Manuals

Diagram Information and Instructions|Page 1541 > < Diagram Information and Instructions|Page 1539
Page 19
background image

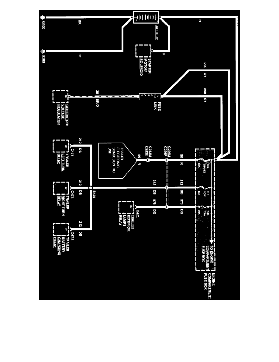
Power Distribution

Fuse IGN.SW.

Fuse IGN.SW. - protects the following circuits:

^

Circuit Breaker 14

^

Fuse 1

^

Fuse 2

^

Fuse 6

Diagram Information and Instructions|Page 1541 > < Diagram Information and Instructions|Page 1539