ford Workshop Repair Guides

Ford Workshop Service and Repair Manuals

Diagram Information and Instructions|Page 1655 > < Diagram Information and Instructions|Page 1653
Page 40
background image

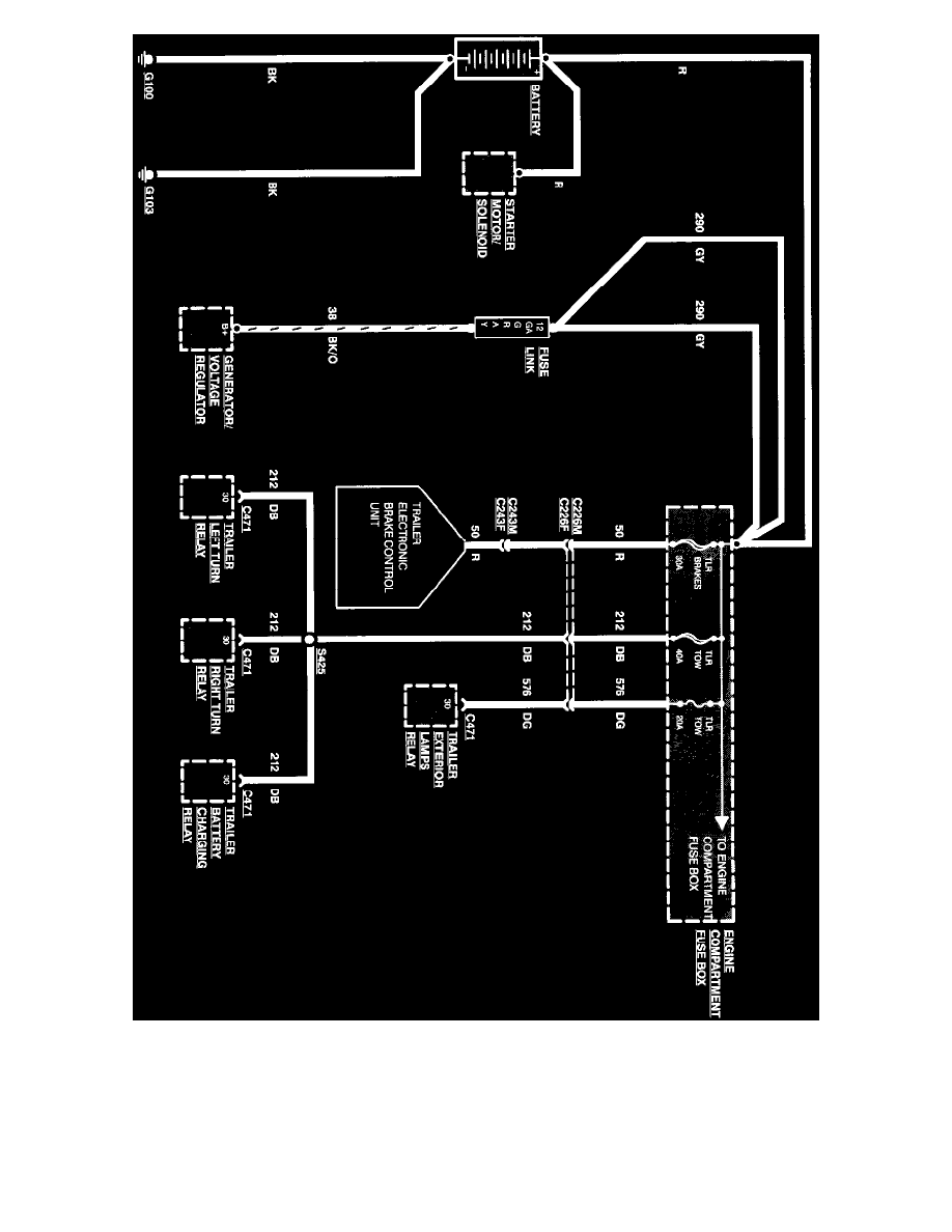
Power Distribution

Circuit Breaker 14

Circuit Breaker 14 - protects the following circuits:

^

Window/Door Lock Control Switch

^

Driver's Door Module

^

One Touch Down Window Down Module

Diagram Information and Instructions|Page 1655 > < Diagram Information and Instructions|Page 1653