ford Workshop Repair Guides

Ford Workshop Service and Repair Manuals

Diagram Information and Instructions|Page 1672 > < Diagram Information and Instructions|Page 1670
Page 57
background image

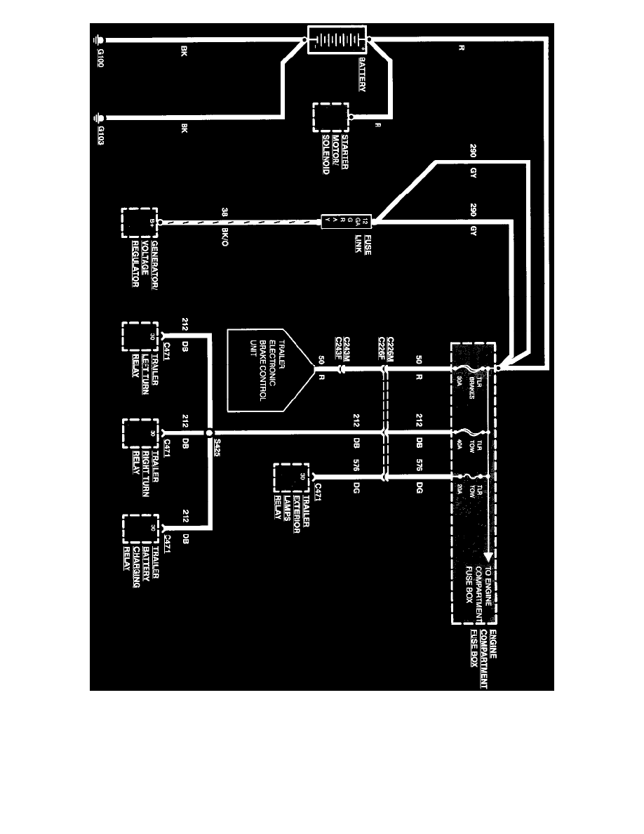
Power Distribution

Fuse 6

Fuse 6 - protects the following circuits:

^

Speed Control

^

Main Light Switch

^

Headlamp Dimmer Switch

^

Lighting Control Module

Diagram Information and Instructions|Page 1672 > < Diagram Information and Instructions|Page 1670