ford Workshop Repair Guides

Ford Workshop Service and Repair Manuals

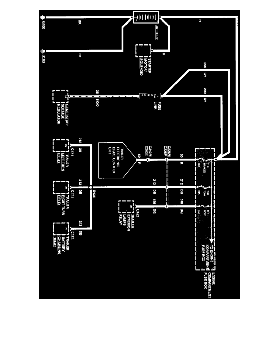
Diagram Information and Instructions|Page 1676 > < Diagram Information and Instructions|Page 1674
Page 61
background image

Power Distribution

Fuse 7

Fuse 7 - protects the following circuits:

^

Powertrain Control Module

^

PCM Power Diode

^

Ignition Coils

Diagram Information and Instructions|Page 1676 > < Diagram Information and Instructions|Page 1674