ford Workshop Repair Guides

Ford Workshop Service and Repair Manuals

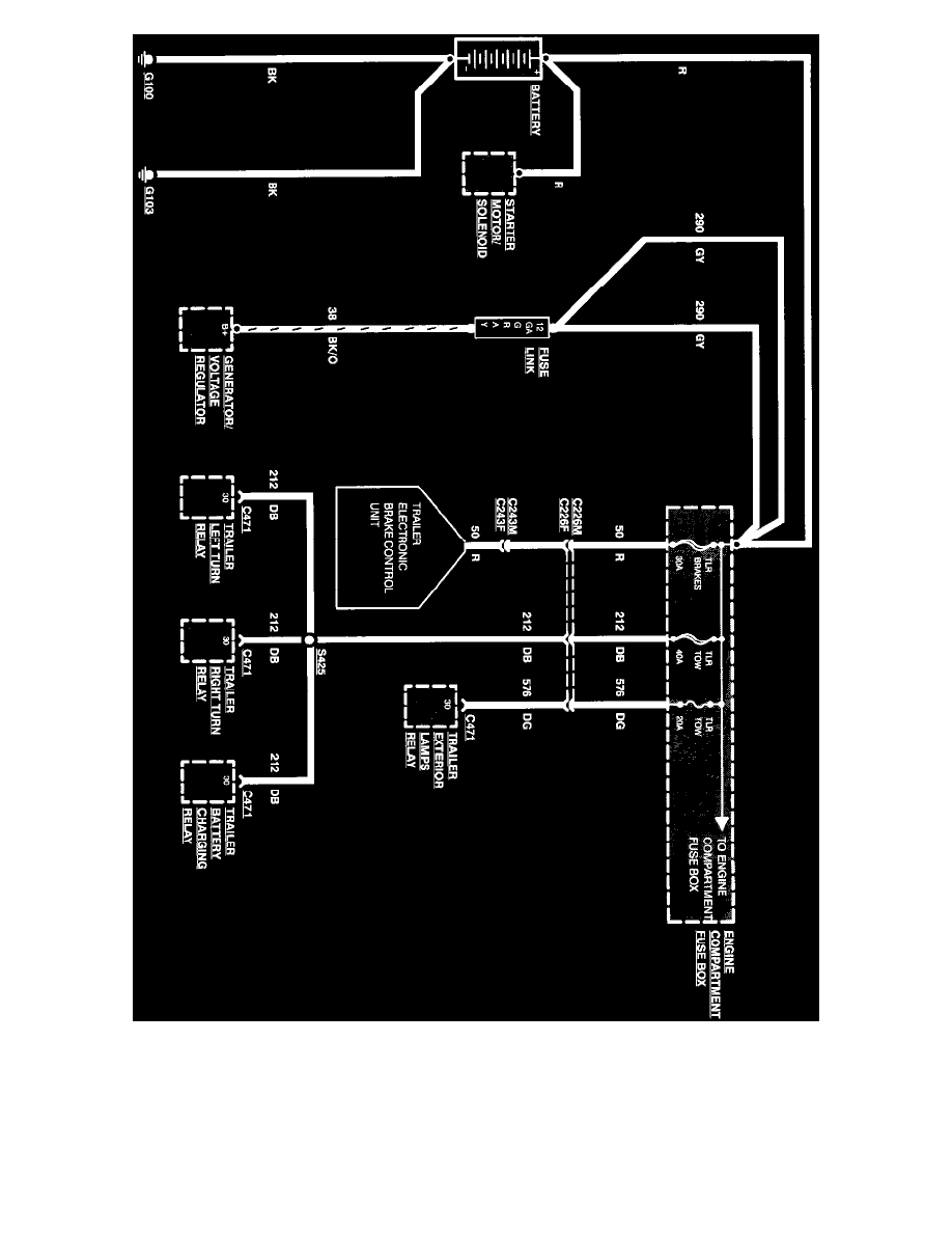
Diagram Information and Instructions|Page 1679 > < Diagram Information and Instructions|Page 1677
Page 64
background image

Power Distribution

Fuse 8

Fuse 8 - protects the following circuits:

^

Lighting Control Module

^

Power Mirrors

^

Remote Keyless Entry

^

Clock Memory

Diagram Information and Instructions|Page 1679 > < Diagram Information and Instructions|Page 1677