ford Workshop Repair Guides

Ford Workshop Service and Repair Manuals

Diagram Information and Instructions|Page 1691 > < Diagram Information and Instructions|Page 1689
Page 76
background image

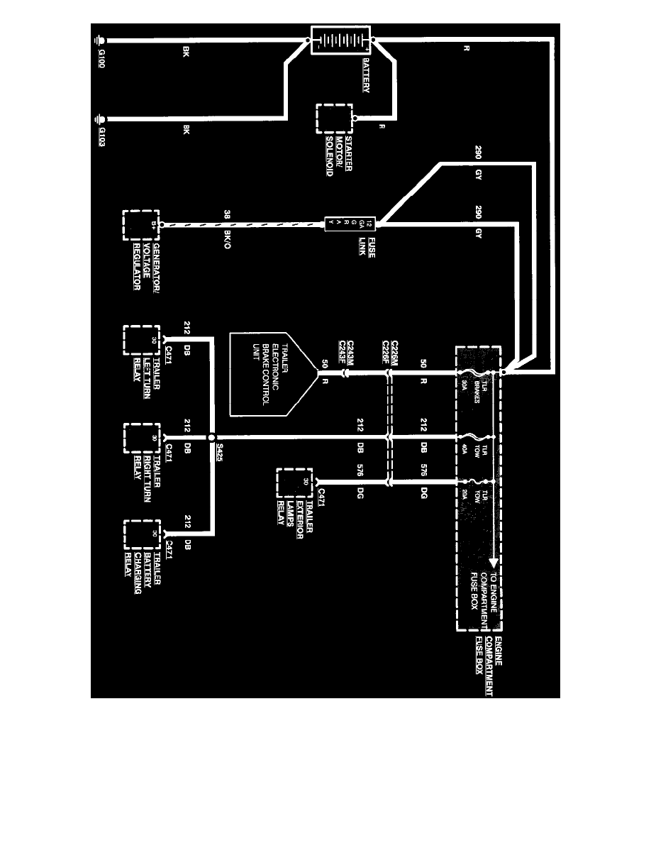
Power Distribution

Fuse 13

Fuse 13 - protects the following circuits:

^

Air Bag Module

^

Warning Lamps

^

Analog Cluster Gauges and Indicators

^

Electronic Automatic Transmission

Diagram Information and Instructions|Page 1691 > < Diagram Information and Instructions|Page 1689