ford Workshop Repair Guides

Ford Workshop Service and Repair Manuals

Diagram Information and Instructions|Page 1704 > < Diagram Information and Instructions|Page 1702
Page 89
background image

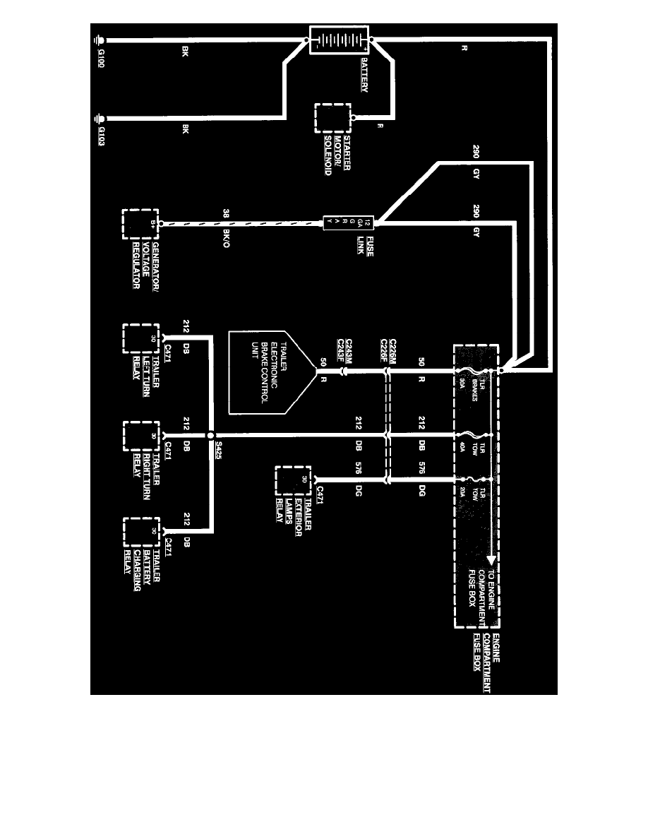
Power Distribution

Fuse 18

Fuse 18 - protects the following circuits:

^

Air Bag Module

^

Digital Instrument Cluster

Diagram Information and Instructions|Page 1704 > < Diagram Information and Instructions|Page 1702