ford Workshop Repair Guides

Ford Workshop Service and Repair Manuals

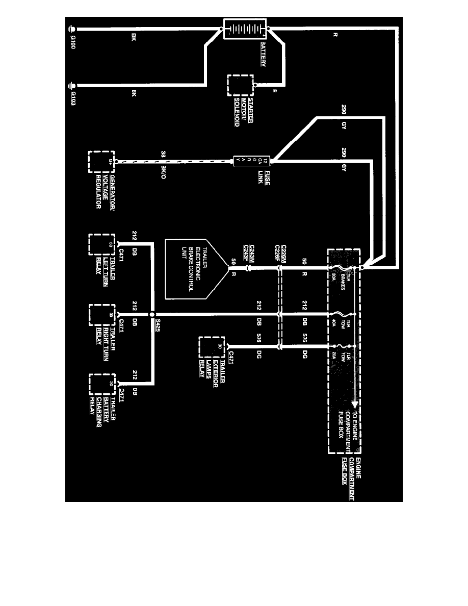
Diagram Information and Instructions|Page 6121 > < Diagram Information and Instructions|Page 6119
Page 79
background image

Power Distribution

Fuse 18

Fuse 18 - protects the following circuits:

^

Air Bag Module

^

Digital Instrument Cluster

Diagram Information and Instructions|Page 6121 > < Diagram Information and Instructions|Page 6119