ford Workshop Repair Guides

Ford Workshop Service and Repair Manuals

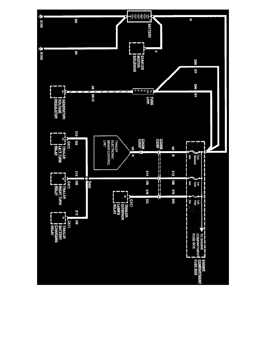
Diagram Information and Instructions|Page 6151 > < Diagram Information and Instructions|Page 6149
Page 16
background image

Power Distribution

Fuse HI-BEAM HEADLIGHTS

Fuse HI-BEAM HEADLIGHTS - protects the following circuits:

^

Lighting Control Module

^

Daytime Running Lamp

Diagram Information and Instructions|Page 6151 > < Diagram Information and Instructions|Page 6149