ford Workshop Repair Guides

Ford Workshop Service and Repair Manuals

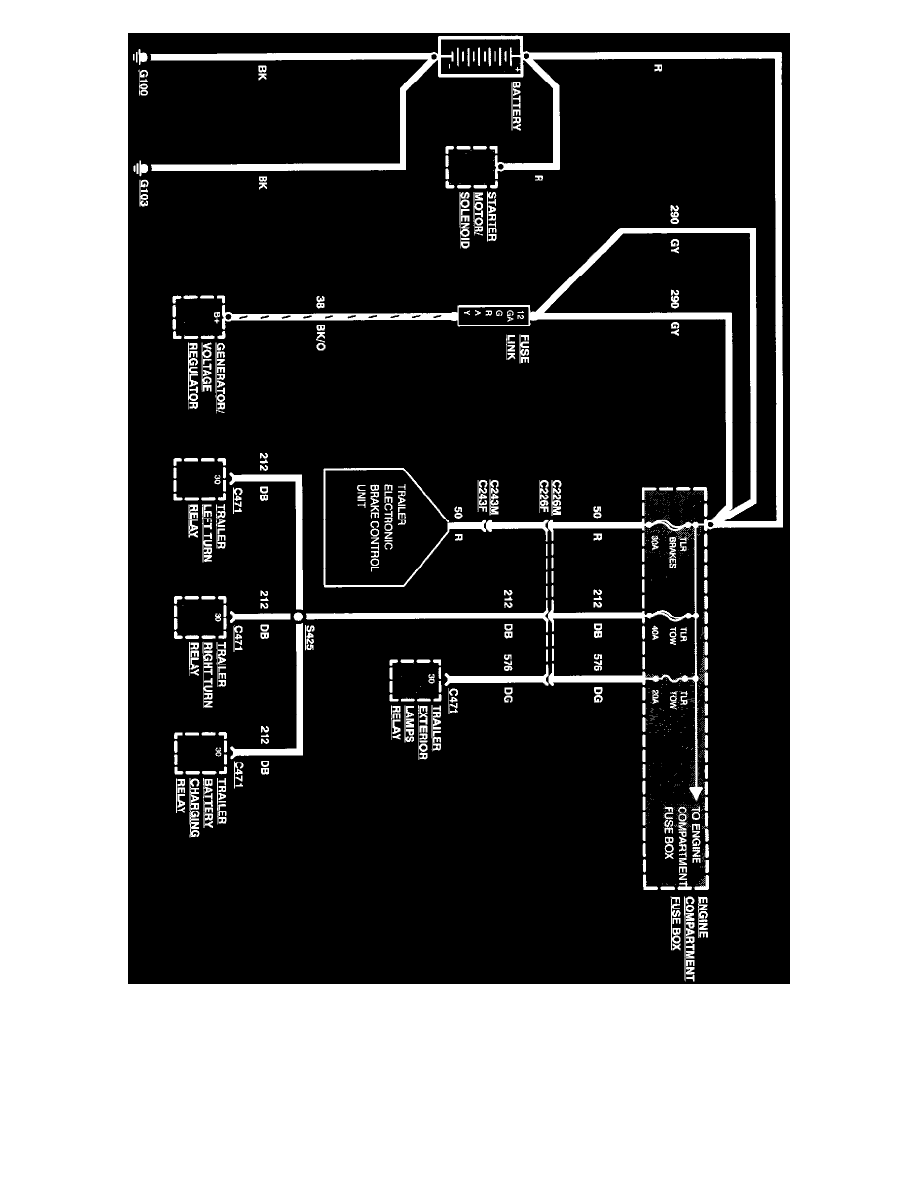
Diagram Information and Instructions|Page 6160 > < Diagram Information and Instructions|Page 6158
Page 25
background image

Power Distribution

Fuse LAMPS FUSE PANEL

Fuse LAMPS FUSE PANEL - protects the following circuits:

^

Headlamps

^

Daytime Running Lamps

^

Fuse 4

^

Fuse 8

Diagram Information and Instructions|Page 6160 > < Diagram Information and Instructions|Page 6158