Ford Workshop Service and Repair Manuals
HOME
FEATURES
MENU
INDEX
ABOUT US
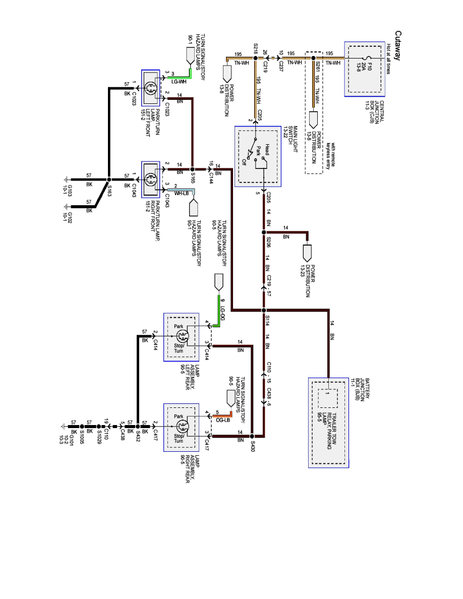
Diagram Information and Instructions|Page 8602 >
< Diagram Information and Instructions|Page 8600
E 150 V8-4.6L (2007)
Lighting and Horns
License Plate Lamp / Diagrams / Diagram Information and Instructions
Page 8601
Page 2
92-2
Lighting and Horns
License Plate Lamp / Diagrams / Diagram Information and Instructions
Page 8601
Diagram Information and Instructions|Page 8602 >
< Diagram Information and Instructions|Page 8600