Ford Workshop Service and Repair Manuals
HOME
FEATURES
MENU
INDEX
ABOUT US
Diagram Information and Instructions|Page 1229 >
< Diagram Information and Instructions|Page 1227
Escort L4-116 1.9L VIN J FI HP (1988)
Maintenance
Tune-up and Engine Performance Checks
Idle Speed / System Information
Adjustments / Component Information
Page 1228
Page 15
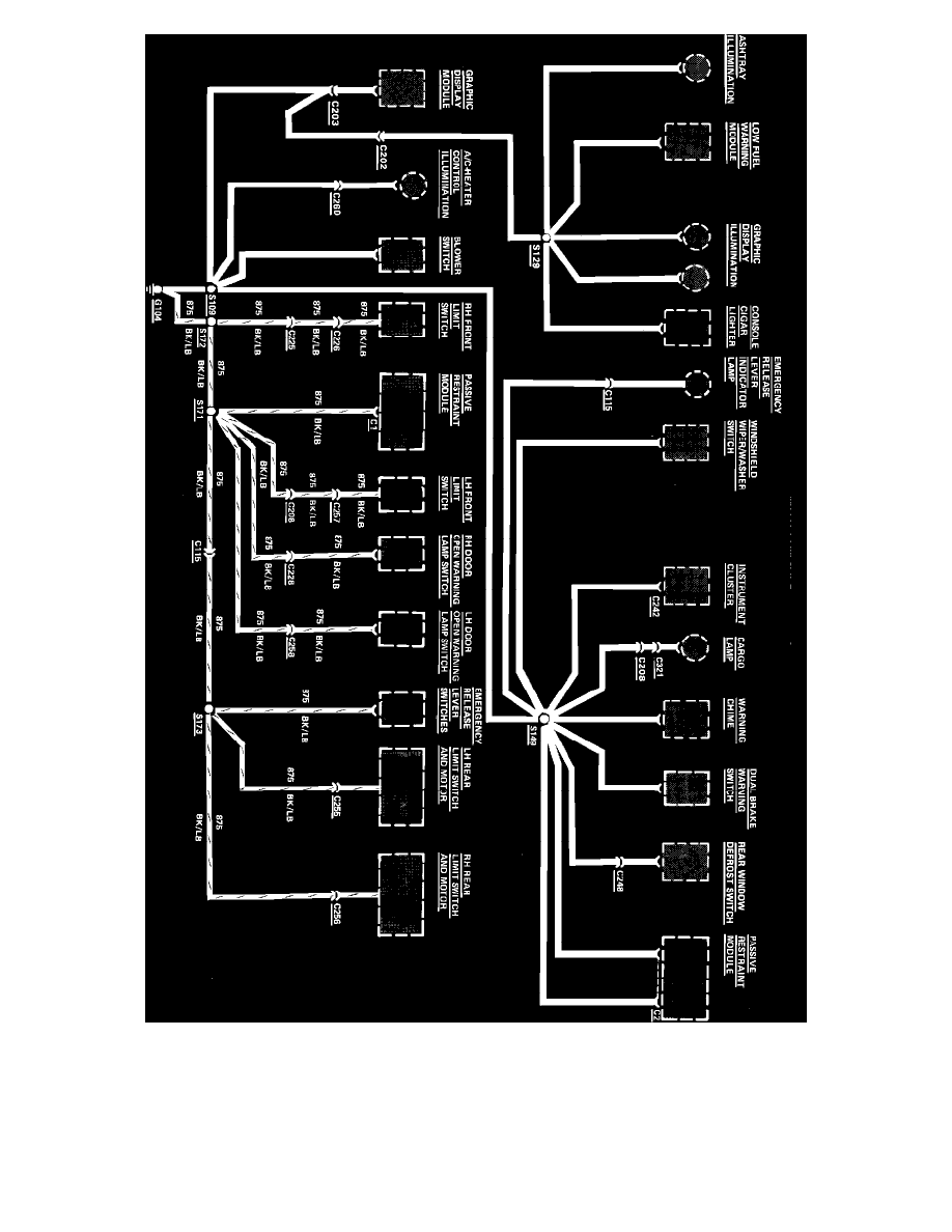
Ground Distribution. G104 (With Console)
Maintenance
Tune-up and Engine Performance Checks
Idle Speed / System Information
Adjustments / Component Information
Page 1228
Diagram Information and Instructions|Page 1229 >
< Diagram Information and Instructions|Page 1227