Ford Escort L4-116 19L VIN J FI HP Workshop Service and Auto Repair Manual
HOME
FEATURES
MENU
INDEX
ABOUT US
Diagram Information and Instructions|Page 1295 >
< Diagram Information and Instructions|Page 1293
Maintenance of Escort L4-116 19L Engine: Idle Speed Adjustment Instructions
Maintenance
Tune-up and Engine Performance Checks
Idle Speed / System Information
Adjustments / Component Information
Page 1294
Page 81
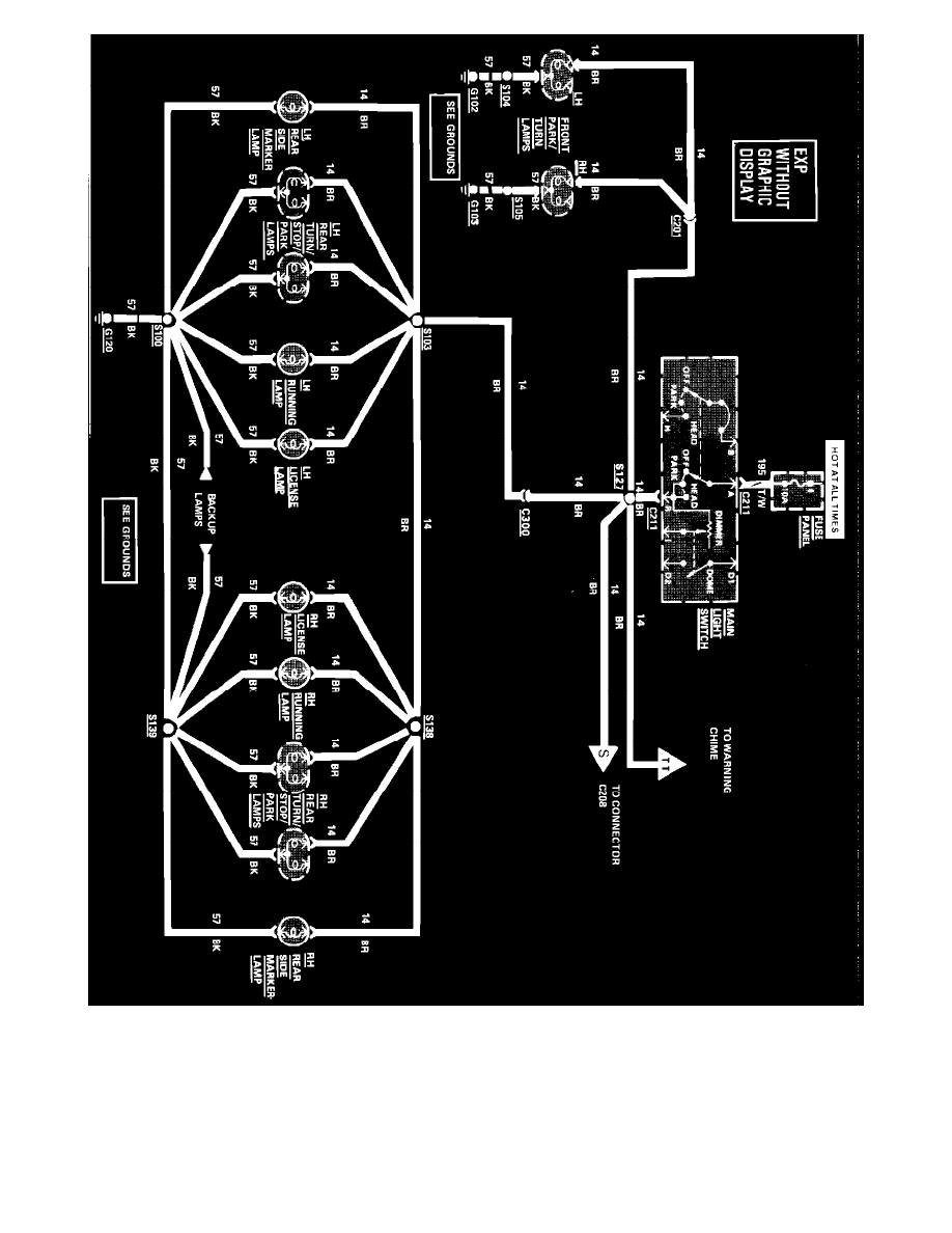
Exterior Lamps Wiring Circuit. EXP Less Graphic Display
Maintenance
Tune-up and Engine Performance Checks
Idle Speed / System Information
Adjustments / Component Information
Page 1294
Diagram Information and Instructions|Page 1295 >
< Diagram Information and Instructions|Page 1293