Ford Workshop Service and Repair Manuals
HOME
FEATURES
MENU
INDEX
ABOUT US
Diagram Information and Instructions|Page 1307 >
< Diagram Information and Instructions|Page 1305
Escort L4-116 1.9L VIN J FI HP (1988)
Maintenance
Tune-up and Engine Performance Checks
Idle Speed / System Information
Adjustments / Component Information
Page 1306
Page 93
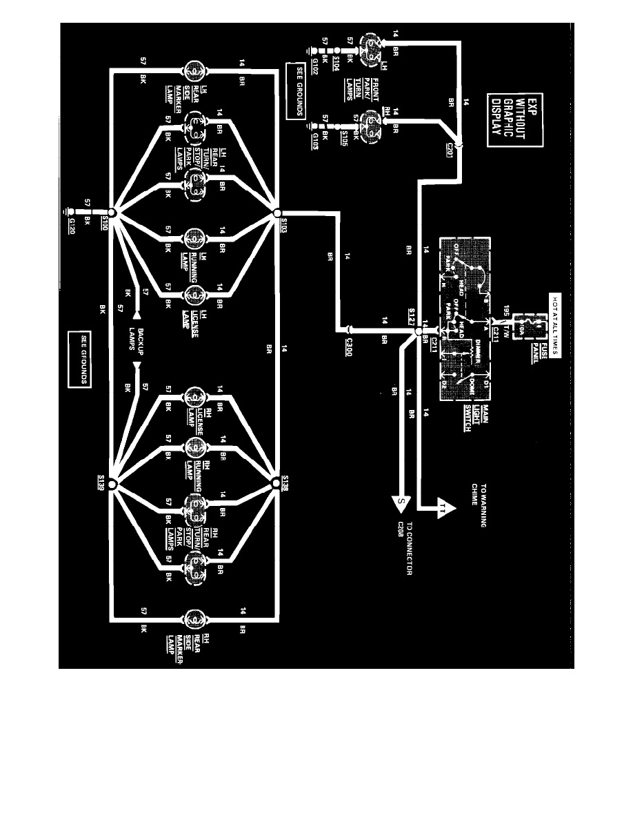
Exterior Lamps Wiring Circuit. EXP Less Graphic Display
Maintenance
Tune-up and Engine Performance Checks
Idle Speed / System Information
Adjustments / Component Information
Page 1306
Diagram Information and Instructions|Page 1307 >
< Diagram Information and Instructions|Page 1305