ford Workshop Repair Guides

Ford Workshop Service and Repair Manuals

Compressor Clutch Relay|Locations|Page 9080 > < Compressor Shaft Seal|Service and Repair|Page 9076
Page 1
background image

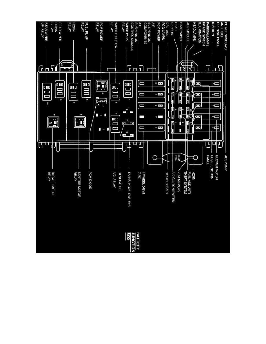
Compressor Clutch Relay: Locations

The Wide Open Throttle (WOT) A/C Relay is in the Battery Junction Box.

Compressor Clutch Relay|Locations|Page 9080 > < Compressor Shaft Seal|Service and Repair|Page 9076