Ford Workshop Service and Repair Manuals
HOME
FEATURES
MENU
INDEX
ABOUT US
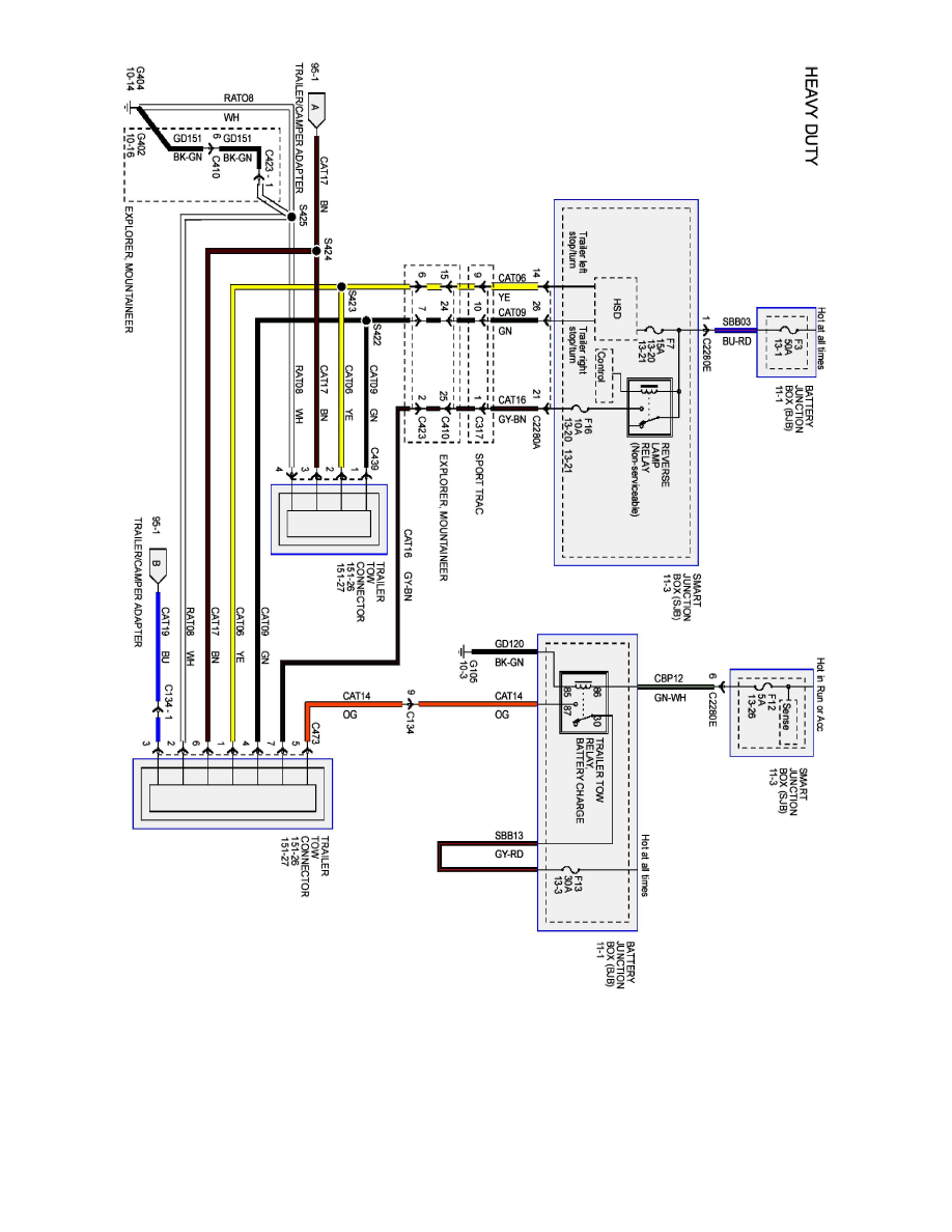
Diagram Information and Instructions|Page 7244 >
< Diagram Information and Instructions|Page 7242
Explorer 4WD V6-4.0L (2009)
Accessories and Optional Equipment
Towing / Trailer System
Trailer Lamps / Diagrams / Diagram Information and Instructions
Page 7243
Page 2
95-2
Accessories and Optional Equipment
Towing / Trailer System
Trailer Lamps / Diagrams / Diagram Information and Instructions
Page 7243
Diagram Information and Instructions|Page 7244 >
< Diagram Information and Instructions|Page 7242