Ford Workshop Service and Repair Manuals
HOME
FEATURES
MENU
INDEX
ABOUT US
Horn Relay|Locations|Page 12909 >
< Hi-Beam Indicator Lamp|Testing and Inspection
Explorer 4WD V6-4.0L VIN E (1999)
Lighting and Horns
Horn
Horn Relay
Component Information
Locations
Page 1
Horn Relay: Locations
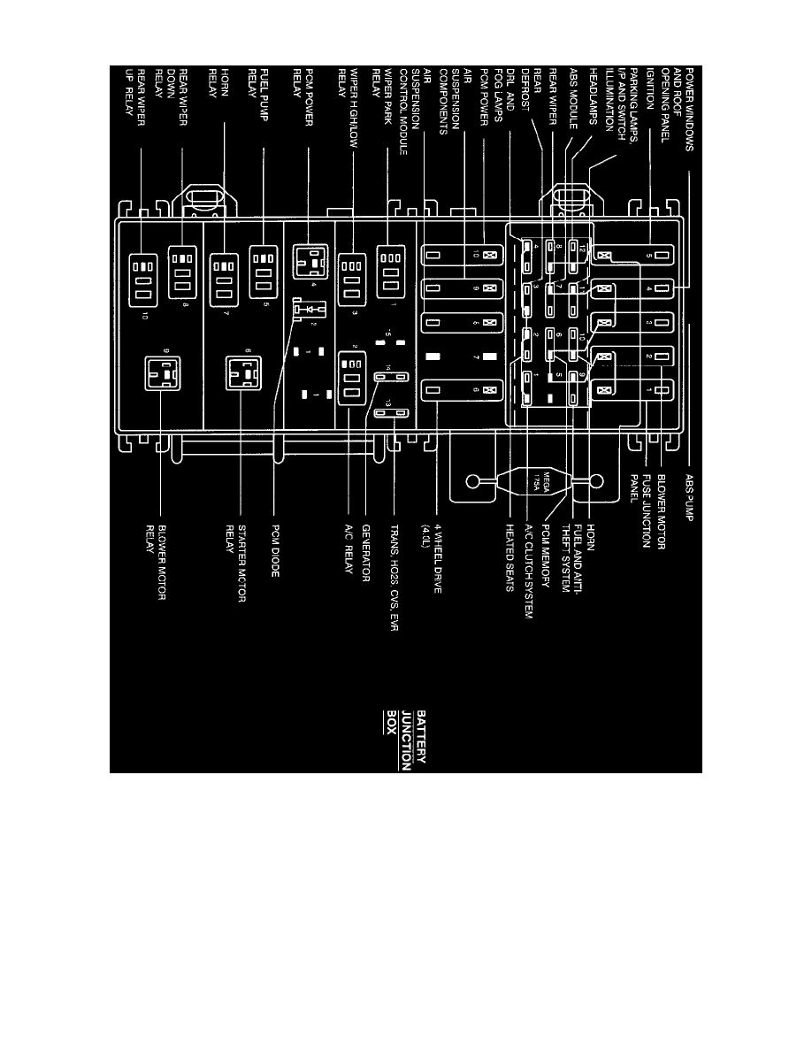
The Horn Relay is located in the Battery Junction Box.
Lighting and Horns
Horn
Horn Relay
Component Information
Locations
Horn Relay|Locations|Page 12909 >
< Hi-Beam Indicator Lamp|Testing and Inspection